| Обозначение: |  ГОСТ Р ИСО 21467-2011 |
| Статус: | действующий |
| Название рус.: | Машины землеройные. Машины для горизонтального направленного бурения. Терминология и эксплуатационные показатели |
| Название англ.: | Earth-moving machinery. Horizontal direction drills. Terminology and specifications |
| Дата актуализации текста: | 06.04.2015 |
| Дата актуализации описания: | 01.07.2023 |
| Дата издания: | 04.05.2012 |
| Дата введения: | 01.07.2012 |
| Код ОКП: | 483212 |
| Аутентичен стандартам: | ISO 21467:2004 |
| Нормативные ссылки: | ISO 6165;ISO 9249 |
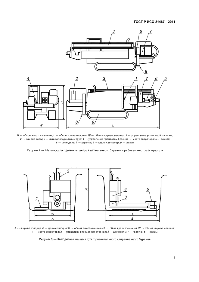
| Область применения: | Настоящий стандарт устанавливает терминологию и номенклатуру эксплуатационных показателей машин для горизонтального направленного бурения. Настоящий стандарт распространяется на машины без рабочего места оператора, машины с рабочим местом оператора, колодезные машины, а также машины поузлового монтажа |
|
| Расположен в: |
|