| Обозначение: |  ГОСТ Р ИСО 13295-2010 |
| Статус: | действующий |
| Название рус.: | Инструменты стоматологические вращающиеся. Дискодержатели |
| Название англ.: | Dental rotary instruments. Mandrels |
| Дата актуализации текста: | 06.04.2015 |
| Дата актуализации описания: | 01.07.2023 |
| Дата издания: | 19.01.2012 |
| Дата введения: | 01.03.2012 |
| Код ОКП: | 943370 |
| Аутентичен стандартам: | ISO 13295:2007 |
| Нормативные ссылки: | ISO 1797-1;ISO 1942;ISO 6360;ISO 6892;ISO 8325:2004 |
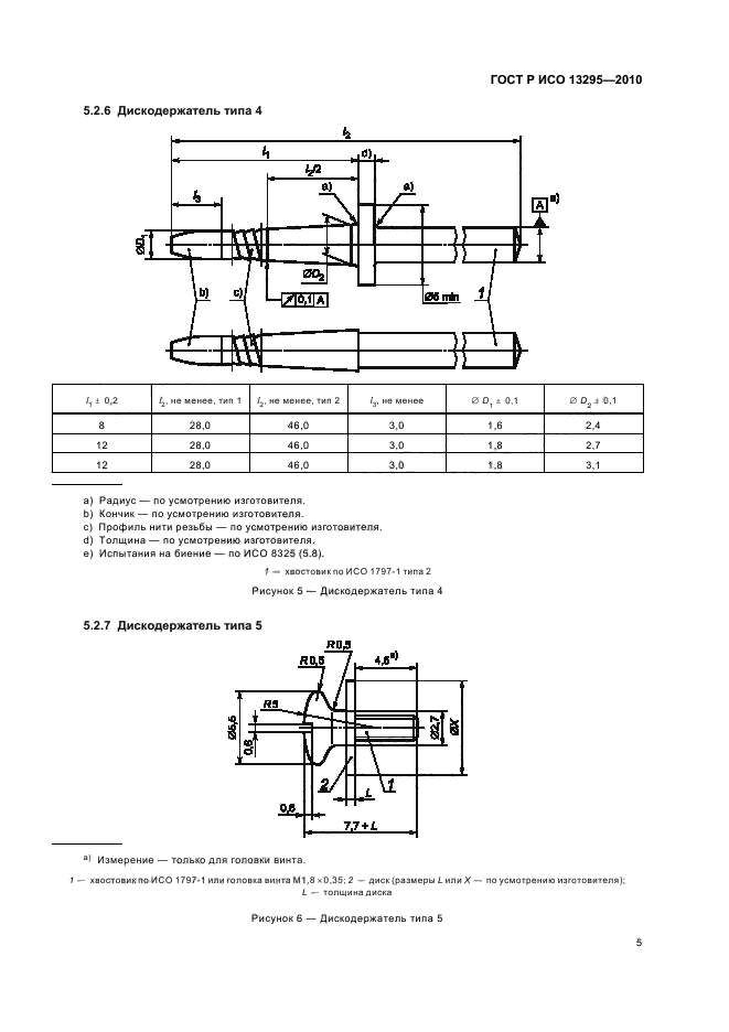
| Область применения: | Настоящий стандарт устанавливает требования, характеристики упаковки и маркировки для дискодержателей, применяемых для закрепления дисков и полиров, используемых в стоматологии. В настоящем стандарте использована система кодирования по ИСО 6360, в которой установлен 15-значный номер для идентификации стоматологических вращающихся инструментов всех типов |
|
| Расположен в: |
|