| Обозначение: |    ГОСТ Р МЭК 62301-2011 | 
| Статус: | отменён | 
| Название рус.: | Приборы бытовые электрические. Измерение потребляемой мощности в режиме ожидания | 
| Название англ.: | Household electrical appliances. Measurement of standby power | 
| Дата актуализации текста: | 06.04.2015 | 
| Дата актуализации описания: | 01.07.2023 | 
| Дата издания: | 17.01.2012 | 
| Дата введения: | 01.07.2012 | 
| Дата окончания срока действия: | 01.06.2017 | 
| Код ОКП: | 346800;515000 | 
| Аутентичен стандартам: | IEC 62301(2005) | 
| На территории РФ пользоваться: | ГОСТ IEC 62301-2016 | 
| Нормативные ссылки: | IEC 60050-131(2002);IEC 60050-300(2001) | 
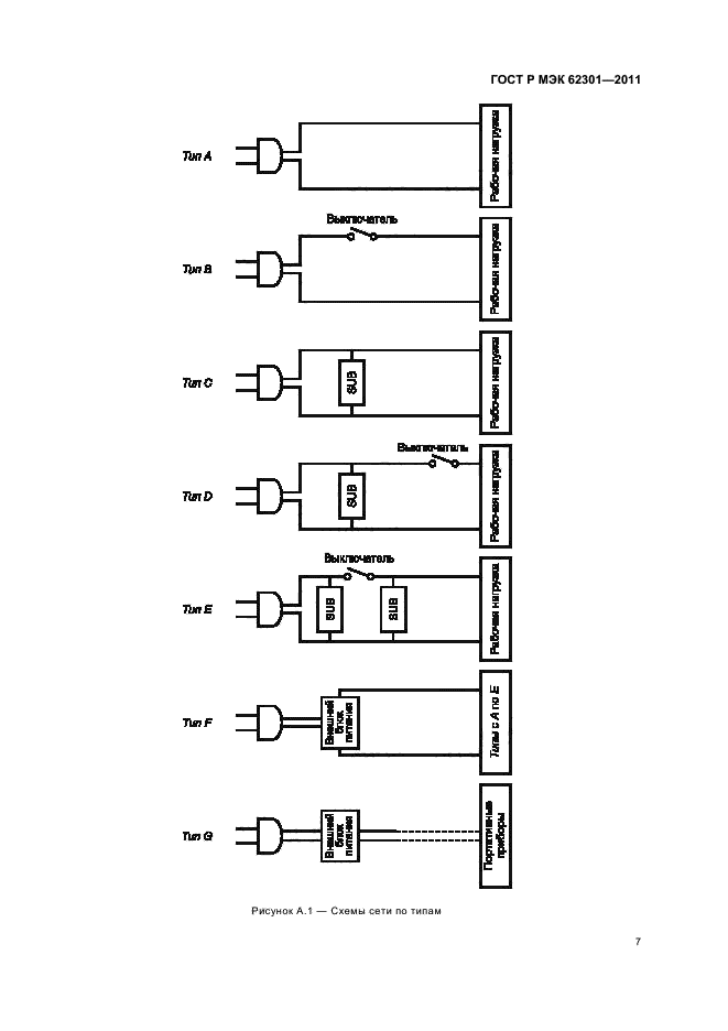
| Область применения: | Цель настоящего стандарта - установить методы испытаний для определения потребления энергии рядом приборов и оборудования в режиме ожидания (когда они не выполняют своей основной функции). Настоящий стандарт определяет этот режим как наименьшее потребление энергии прибором, подключенным к сети. Указанный метод испытания применяют также к другим режимам с малым потреблением энергии – установившимся и выполняющим фоновую или второстепенную функцию (например, контроль или отображение). Приложение А содержит информацию о возможных режимах, которые могут определяться составом и конструкцией различных приборов на основе их схемы и компоновки, но стандарт не устанавливает эти режимы. Режимы с низким потреблением энергии (в дополнение к режиму ожидания), к которым применяется данное испытание, должны быть определены стандартами для эксплуатационных характеристик соответствующих приборов. Например, МЭК 62087 описывает ряд режимов для телевизоров, видеомагнитофонов и аналогичного оборудования | 
| Список изменений: | №0 от 31.05.2017 (рег. 17.11.2016) «Текстовое изменение; Изменено заглавие» | 
 | 
| Расположен в: | 
  |