| Обозначение: |  ГОСТ Р 51731-2010 |
| Статус: | отменён |
| Название рус.: | Контакторы электромеханические бытового и аналогичного назначения |
| Название англ.: | Electromechanical contactors for household and similar purposes |
| Дата актуализации текста: | 06.04.2015 |
| Дата актуализации описания: | 01.07.2023 |
| Дата издания: | 29.08.2011 |
| Дата введения: | 01.01.2012 |
| Дата окончания срока действия: | 01.03.2017 |
| Взамен: | ГОСТ Р 51731-2001 |
| Содержит требования: | IEC 61095(2000) |
| На территории РФ пользоваться: | ГОСТ IEC 61095-2015 |
| Нормативные ссылки: | ГОСТ Р 15.201-2000; ГОСТ Р 50030.1-2007; ГОСТ Р 50030.4.1.-2002; ГОСТ Р 50030.5.1-2005; ГОСТ Р 50345-2010; ГОСТ Р 50571.19-2000; ГОСТ Р МЭК 60073-2000; ГОСТ 9.005-72; ГОСТ 12.2.007.0-75; ГОСТ 12.2.007.6-75; ГОСТ 11478-88; ГОСТ 14254-96; ГОСТ 15150-69; ГОСТ 15543.1-89; ГОСТ 16504-81; ГОСТ 16962.1-89; ГОСТ 16962.2-90; ГОСТ 17441-84; ГОСТ 17516.1-90; ГОСТ 18620-86; ГОСТ 21991-89; ГОСТ 23216-78; ГОСТ 24622-91; ГОСТ 27473-87; ГОСТ 27483-87; ГОСТ 28312-89; ГОСТ 28779-90 |
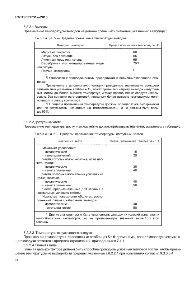
| Область применения: | Настоящий стандарт распространяется на контакторы с воздушным зазором между контактами бытового и аналогичного назначения для цепей номинальным напряжением не более 440 В переменного тока и номинальным током не более 63 А для категории применения АС - 7а, 32 А для категории применения АС - 7в и значением номинального тока короткого замыкания не более 6 кА. Стандарт не распространяется на: - контакторы, исполненные по ГОСТ Р 50030.4.1; - полупроводниковые контакторы; - контакторы специального назначения; - вспомогательные контакты контакторов (они рассматриваются в ГОСТ Р 50030.5.1). Настоящий стандарт устанавливает: 1) характеристики контакторов; 2) условия, при которых контакторы должны соответствовать требованиям относительно: а) работы и поведения; b) диэлектрических свойств; с) степени защиты оболочек; d) конструкции контакторов; e) характеристик электромагнитной совместимости; 3) испытания, предназначенные для подтверждения того, что эти требования выполняются, и методы этих испытаний; 4) последовательность испытаний и количество образцов, которые должны быть представлены для сертификации; 5) информацию, которая должна прилагаться к контакторам или указываться в каталогах изготовителя |
| Список изменений: | №0 от 01.03.2017 (рег. 11.07.2016) «Текстовое изменение; Изменено заглавие» |
|
| Расположен в: |
|