| ||||||||||||||||||||||||||||||||||||||
Скачать ГОСТ Р 52706-2007 Лампы накаливания вольфрамовые для бытового и аналогичного общего освещения. Эксплуатационные требованияДата актуализации: 01.06.2025
| ||||||||||||||||||||||||||||||||||||||
| Обозначение: | ![]() ГОСТ Р 52706-2007 |
| Статус: | отменён |
| Название рус.: | Лампы накаливания вольфрамовые для бытового и аналогичного общего освещения. Эксплуатационные требования |
| Название англ.: | Tungsten filament lamps for domestic and similar general lighting purposes. Рerformance requirements |
| Дата актуализации текста: | 06.04.2015 |
| Дата актуализации описания: | 01.07.2023 |
| Дата издания: | 21.11.2007 |
| Дата введения: | 01.01.2008 |
| Дата окончания срока действия: | 01.05.2020 |
| Код ОКП: | 346610 |
| Взамен: | ГОСТ Р МЭК 60064-99 |
| Содержит требования: | IEC 60064(1993) |
| На территории РФ пользоваться: | ГОСТ IEC 60064-2019 |
| Нормативные ссылки: | ГОСТ Р ИСО 2859-1-2007; ГОСТ Р 52712-2007; ГОСТ 12.2.007.13-2000; ГОСТ 16504-81; ГОСТ 17616-82; ГОСТ 28108-89 |
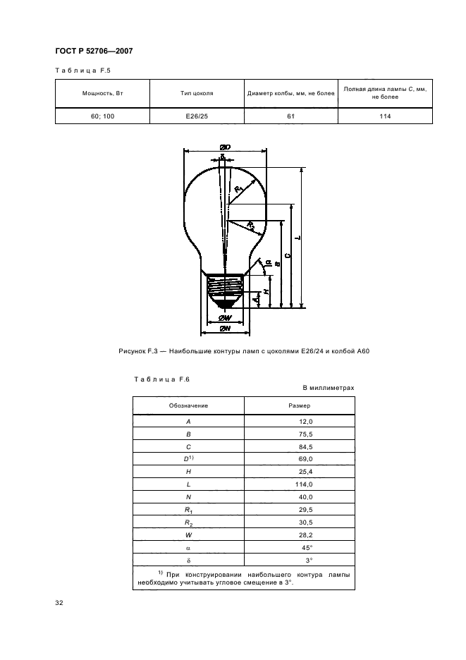
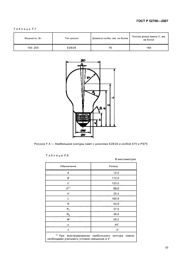
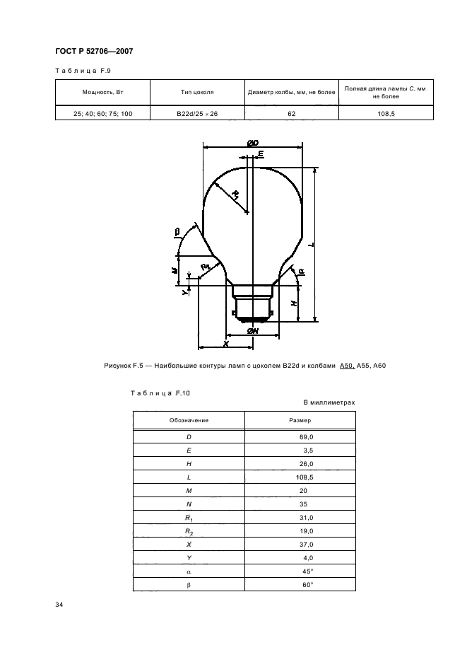
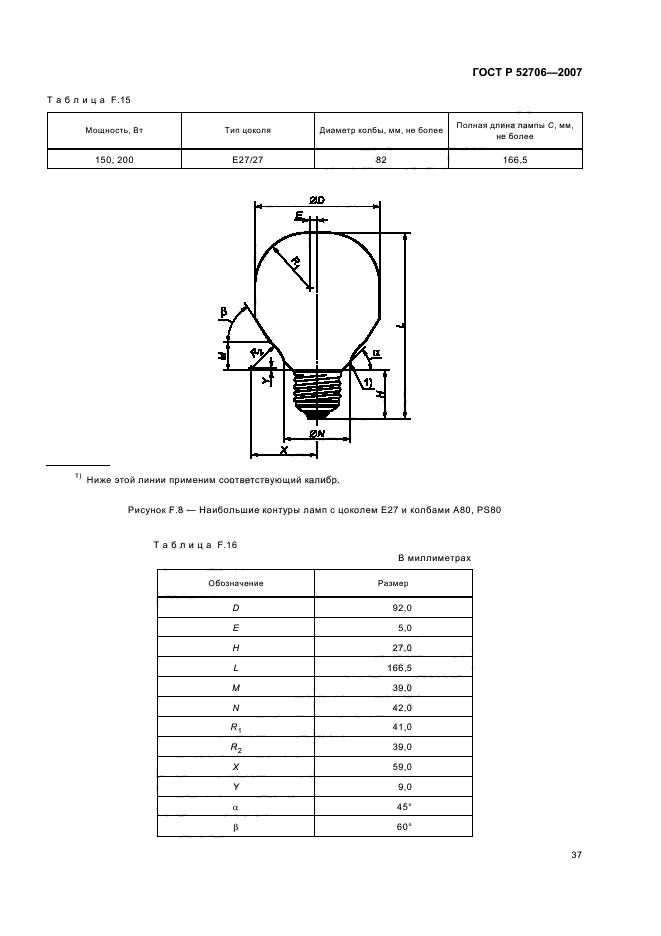
| Область применения: | Настоящий стандарт распространяется на вольфрамовые лампы накаливания для бытового и аналогичного общего освещения, удовлетворяющие требованиям безопасности для ламп мощностью до 200 Вт включительно по ГОСТ Р 52712, для ламп мощностью 300 Вт и более по ГОСТ 12.2.007.13 и имеющие: - номинальную мощность от 15 до 200, 300, 500, 750 и 1000 Вт включительно; - номинальное напряжение от 100 до 250 В включительно; если маркируют диапазон напряжения, то предельные значения диапазона не должны отличаться от среднего значения более чем на плюс минус 2,5%;- колбы формы A, PS или М;- колбы прозрачные, матированные или с эквивалентным матированию покрытием, белым покрытием, опаловые, опалиновые или молочные;- цоколи B22d, E26, E27 или Е40. Настоящий стандарт устанавливает эксплуатационные требования, методы испытаний, приемку |
| Расположен в: | |

















































