| ||||||||||||||||||||||||||||||
Скачать ГОСТ Р 53664-2009 Болты высокопрочные цилиндрические и конические для мостостроения, гайки и шайбы к ним. Технические условияДата актуализации: 01.06.2025
| ||||||||||||||||||||||||||||||
| Обозначение: | ![]() ГОСТ Р 53664-2009 |
| Статус: | действующий |
| Название рус.: | Болты высокопрочные цилиндрические и конические для мостостроения, гайки и шайбы к ним. Технические условия |
| Название англ.: | High-strength cheese-head and conical bolts for bridge building. Nuts and washers for them. Specifications |
| Дата актуализации текста: | 06.04.2015 |
| Дата актуализации описания: | 01.07.2023 |
| Дата издания: | 18.03.2011 |
| Дата введения: | 01.01.2011 |
| Код ОКП: | 161000;163000;168000 |
| Нормативные ссылки: | ГОСТ Р ИСО 2859-1-2007; ГОСТ Р 50779.72-99; ГОСТ Р 51856-2001; ГОСТ Р 52627-2006; ГОСТ Р 52628-2006; ГОСТ Р 52643-2006; ГОСТ Р 52645-2006; ГОСТ 9.316-2006; ГОСТ 1050-88; ГОСТ 1497-84; ГОСТ 1759.0-87; ГОСТ 1759.1-82; ГОСТ 1759.2-82; ГОСТ 1759.3-83; ГОСТ 1763-68; ГОСТ 4543-71; ГОСТ 5639-82; ГОСТ 8233-56; ГОСТ 9012-59; ГОСТ 9013-59; ГОСТ 9150-2002; ГОСТ 9378-93; ГОСТ 9454-78; ГОСТ 10541-78; ГОСТ 11860-85; ГОСТ 12414-94; ГОСТ 15150-69; ГОСТ 16093-2004; ГОСТ 17769-83; ГОСТ 18123-82; ГОСТ 18160-72; ГОСТ 24705-2004; ГОСТ 27148-86 |
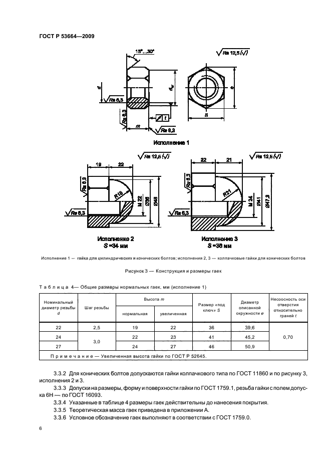
| Область применения: | Настоящий стандарт распространяется на высокопрочные цилиндрические болты с шестигранной головкой и конические болты с полукруглой головкой, высокопрочные шестигранные гайки с увеличенным размером под ключ и шайбы к высокопрочным болтам, предназначенные для использования в металлических конструкциях мостов, сооружаемых и эксплуатируемых в макроклиматических районах с умеренным (У) и холодным (ХЛ) климатом с расчетной температурой до минус 40 °С и минус 60 °С соответственно категории размещения 1 по ГОСТ 15150 |
| Расположен в: | |



















