| Обозначение: |    ГОСТ Р ИСО 14579-2009 | 
| Статус: | отменён | 
| Название рус.: | Винты с цилиндрической головкой и звездообразным углублением под ключ | 
| Название англ.: | Вolts with cylindrical heand and star-type internal socket button | 
| Дата актуализации текста: | 06.04.2015 | 
| Дата актуализации описания: | 01.07.2023 | 
| Дата издания: | 24.11.2009 | 
| Дата введения: | 01.01.2010 | 
| Дата окончания срока действия: | 01.01.2018 | 
| Код ОКП: | 161000 | 
| Аутентичен стандартам: | ISO 14579:2001 | 
| На территории РФ пользоваться: | ГОСТ ISO 14579-2015 | 
| Нормативные ссылки: | ISO 225:1983;ISO 898-1:1999;ISO 965-2:1998;ISO 965-3:1998;ISO 3269:2000;ISO 3506-1:1997;ISO 4042:1999;ISO 4753:1999;ISO 4759-1:2000;ISO 6157-1:1988;ISO 8839:1986;ISO 8992:2005;ISO 10664:2005;ISO 10683:2000 | 
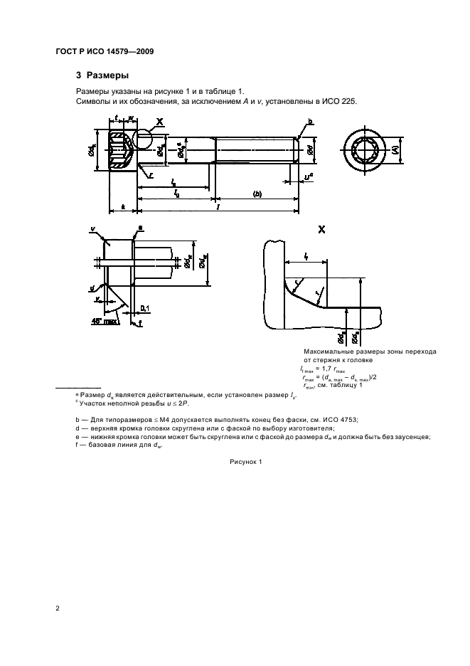
| Область применения: | Настоящий стандарт устанавливает характеристики винтов с цилиндрической головкой и звездообразным углублением под ключ с резьбой от М2 до М20 для изделий класса точности А. В особых случаях, когда требуются другие требования, чем установленные в настоящем стандарте, они должны выбираться из действующих международных стандартов, таких как, например, ИСО 261, ИСО 888, ИСО 898-1, ИСО 965-2, ИСО 965-3, ИСО 3506-1 и ИСО 4759-1 | 
| Список изменений: | №0 от 01.01.2018 (рег. 30.05.2016) «Текстовое изменение; Изменено заглавие» | 
 | 
| Расположен в: | 
  |