| Обозначение: |  ГОСТ Р 53246-2008 |
| Статус: | действующий |
| Название рус.: | Информационные технологии. Системы кабельные структурированные. Проектирование основных узлов системы. Общие требования |
| Название англ.: | Information technologies. Structured cabling systems. Main system elements design. General requirements |
| Дата актуализации текста: | 06.04.2015 |
| Дата актуализации описания: | 01.01.2021 |
| Дата издания: | 03.07.2009 |
| Дата введения: | 01.01.2010 |
| Нормативные ссылки: | ISO/IEC 11801:2002;ANSI/EIA/TIA-604-3 |
| Область применения: | Настоящий стандарт распространяется на структурированные кабельные системы, способные обслуживать различные типы коммерческих зданий и поддерживать работу разнообразных приложений (таких как, передача речи, данные, текст, изображение и видео). При этом размер обслуживания объекта может охватывать площадь диаметром до 3000 м, при полезной площади обслуживания до 1000000 м кв. и количестве пользователей до 50000. Настоящий стандарт устанавливает общие требования проектирования основных элементов структурированной кабельной системы на основе витой пары проводников и волоконно-оптических компонентов |
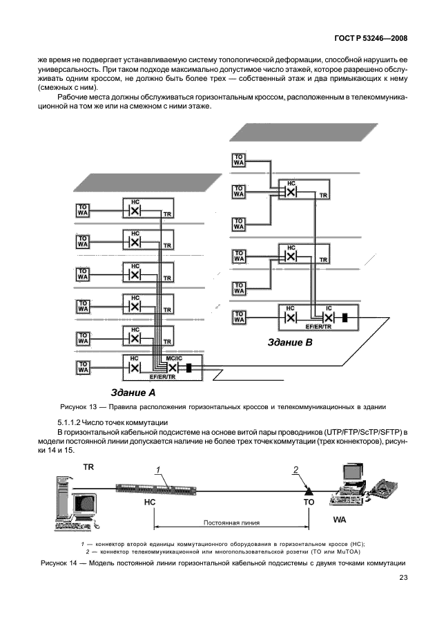
|
| Расположен в: |
|