| ||||||||||||||||||||||||||||||
Скачать ГОСТ Р 53279-2009 Техника пожарная. Головки соединительные пожарные. Общие технические требования. Методы испытанийДата актуализации: 01.06.2025
| ||||||||||||||||||||||||||||||
| Обозначение: | ![]() ГОСТ Р 53279-2009 |
| Статус: | действующий |
| Название рус.: | Техника пожарная. Головки соединительные пожарные. Общие технические требования. Методы испытаний |
| Название англ.: | Fire equipment. Fire connecting heads. General technical requirements. Methods of testing |
| Дата актуализации текста: | 01.01.2021 |
| Дата актуализации описания: | 01.07.2023 |
| Дата издания: | 29.11.2019 |
| Дата введения: | 01.05.2009 |
| Код ОКП: | 485480 |
| Нормативные ссылки: | ГОСТ 12.2.047; ГОСТ 9.303; ГОСТ 15.309; ГОСТ 27.002-2015; ГОСТ 1583; ГОСТ 6357; ГОСТ 6557; ГОСТ 14286; ГОСТ 15150; ГОСТ 17711; ГОСТ 17759; ГОСТ 17760; ГОСТ 17761; ГОСТ 17762; ГОСТ 18922; ГОСТ 18923; ГОСТ 18927; ГОСТ 18928; ГОСТ 18929; ГОСТ 18930; ГОСТ 18931; ГОСТ 18932; ГОСТ 23170; ГОСТ 28338; ГОСТ 24705; ГОСТ 25346; ГОСТ 28338; ГОСТ 29329; ГОСТ Р 15.301-2016; ГОСТ 24856-2014 |
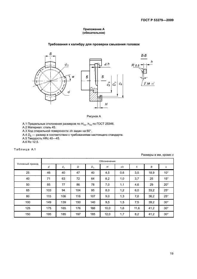
| Область применения: | Настоящий стандарт распространяется на пожарные соединительные головки, которые применяются для оборудования технических средств, предназначенных для транспортирования огнетушащих веществ по коммуникациям пожаротушения |
| Расположен в: | |






















