| Обозначение: |  ГОСТ Р 52863-2007 |
| Статус: | действующий |
| Название рус.: | Защита информации. Автоматизированные системы в защищенном исполнении испытания на устойчивость к преднамеренным силовым электромагнитным воздействиям. Общие требования |
| Название англ.: | Protection of information. Protective automatically systems. Testing for stability to intentional power electromagnetic influence. General requirements |
| Дата актуализации текста: | 01.01.2021 |
| Дата актуализации описания: | 01.07.2023 |
| Дата издания: | 30.07.2020 |
| Дата введения: | 01.07.2008 |
| Нормативные ссылки: | ГОСТ 28195; ГОСТ 30336; ГОСТ 30373; ГОСТ Р 50648; ГОСТ Р 50652; ГОСТ Р 51113; ГОСТ Р 51241; ГОСТ Р 51317.4.4; ГОСТ Р 51317.4.5; ГОСТ Р 51317.4.11; ГОСТ Р 51318.24; ГОСТ Р ИСО/МЭК 12119 |
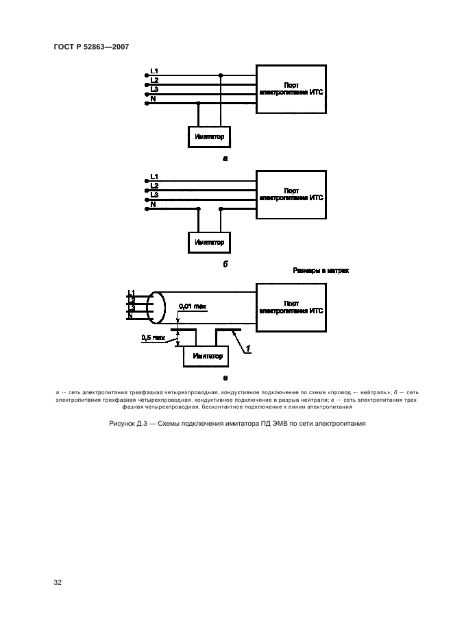
| Область применения: | Настоящий стандарт распространяется на автоматизированные системы в защищенном исполнении, предназначенные для защиты от преднамеренных воздействий на информацию в целях ее уничтожения, искажения или блокирования при разработке, изготовлении и эксплуатации таких систем. Требования настоящего стандарта подлежат применению на территории Российской Федерации органами государственной власти, местного самоуправления, предприятиями и учреждениями независимо от их организационно-правовой формы и формы собственности, должностными лицами и гражданами Российской Федерации, взявшими на себя обязательства либо обязанными по статусу исполнять требования нормативно-правовых документов Российской Федерации по защите информации |
|
| Расположен в: |
|