| ||||||||||||||||||||||||||||||||||||||
Скачать ГОСТ 9413-78 Щитки осветительные для жилых зданий. Общие технические условияДата актуализации: 01.06.2025
| ||||||||||||||||||||||||||||||||||||||
| Обозначение: | ![]() ГОСТ 9413-78 |
| Статус: | не действует в РФ |
| Название рус.: | Щитки осветительные для жилых зданий. Общие технические условия |
| Название англ.: | Lighting panels for dwelling-houses. General specifications |
| Дата актуализации текста: | 06.04.2015 |
| Дата актуализации описания: | 01.07.2023 |
| Дата издания: | 01.01.1987 |
| Дата введения: | 01.01.1979 |
| Дата окончания срока действия: | 01.07.2001 |
| Код ОКП: | 343433 |
| Взамен: | ГОСТ 9413-69 |
| На территории РФ пользоваться: | ГОСТ 32395-2013 |
| Нормативные ссылки: | ГОСТ 6570-75; ГОСТ 1138-73; ГОСТ 10434-76; ГОСТ 12434-73; ГОСТ 403-73; ГОСТ 15150-69; ГОСТ 17516-72; ГОСТ 14254-69; ГОСТ 9.032-74; ГОСТ 9.009-73; ГОСТ 3002-70; ГОСТ 2.601-68; ГОСТ 12.2.007.0-75; ГОСТ 16504-70; ГОСТ 2933-74; ГОСТ 16962-71; ГОСТ 2930-62; ГОСТ 18620-73; ГОСТ 12969-67; ГОСТ 1.9-67 |
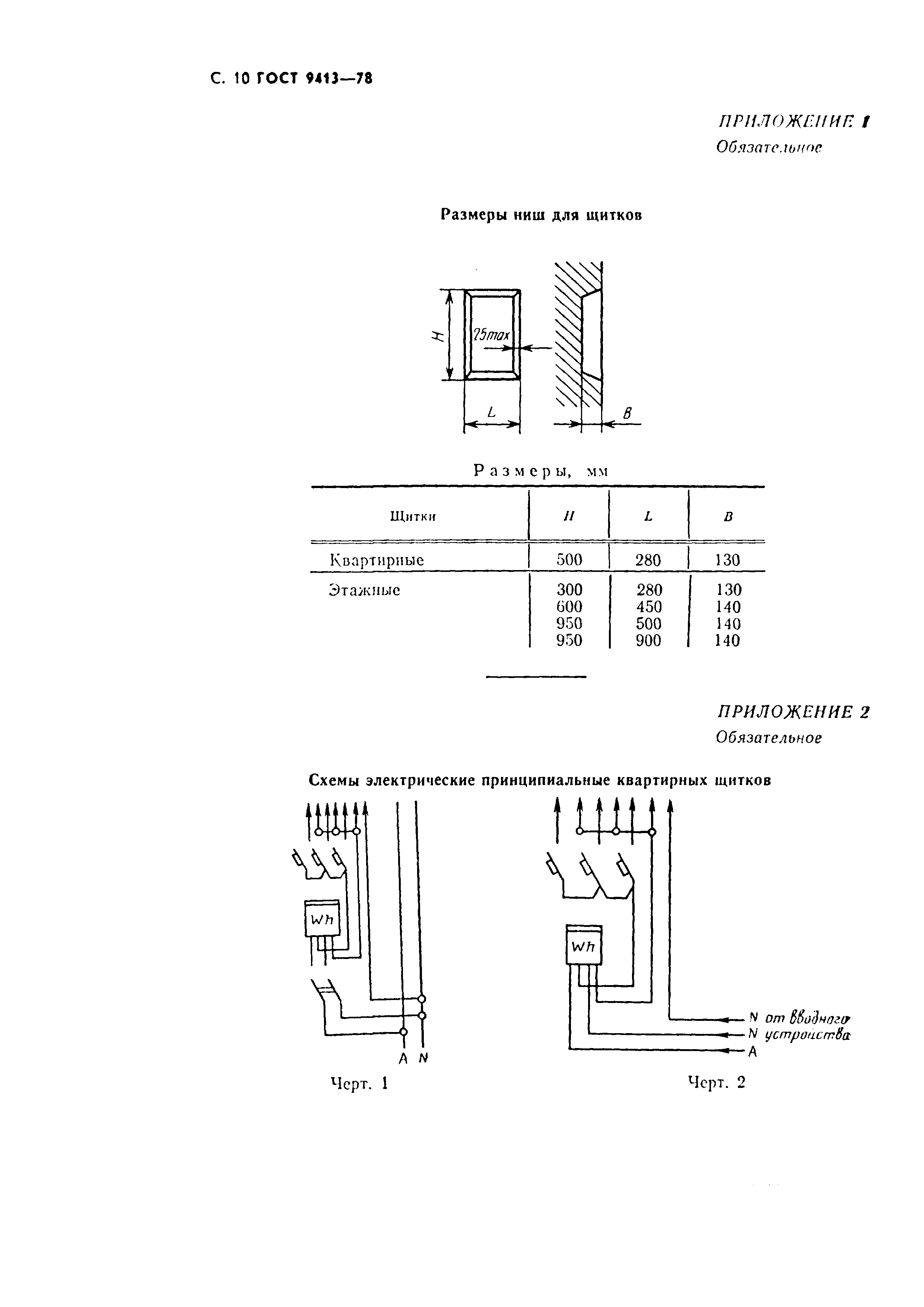
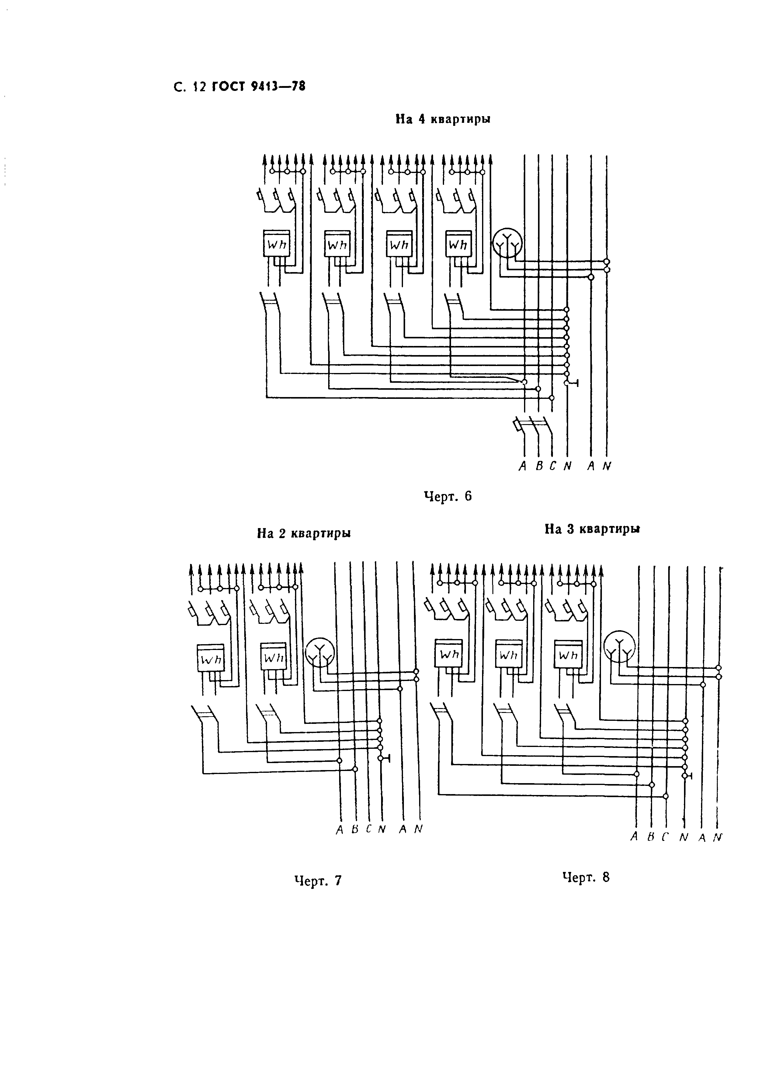
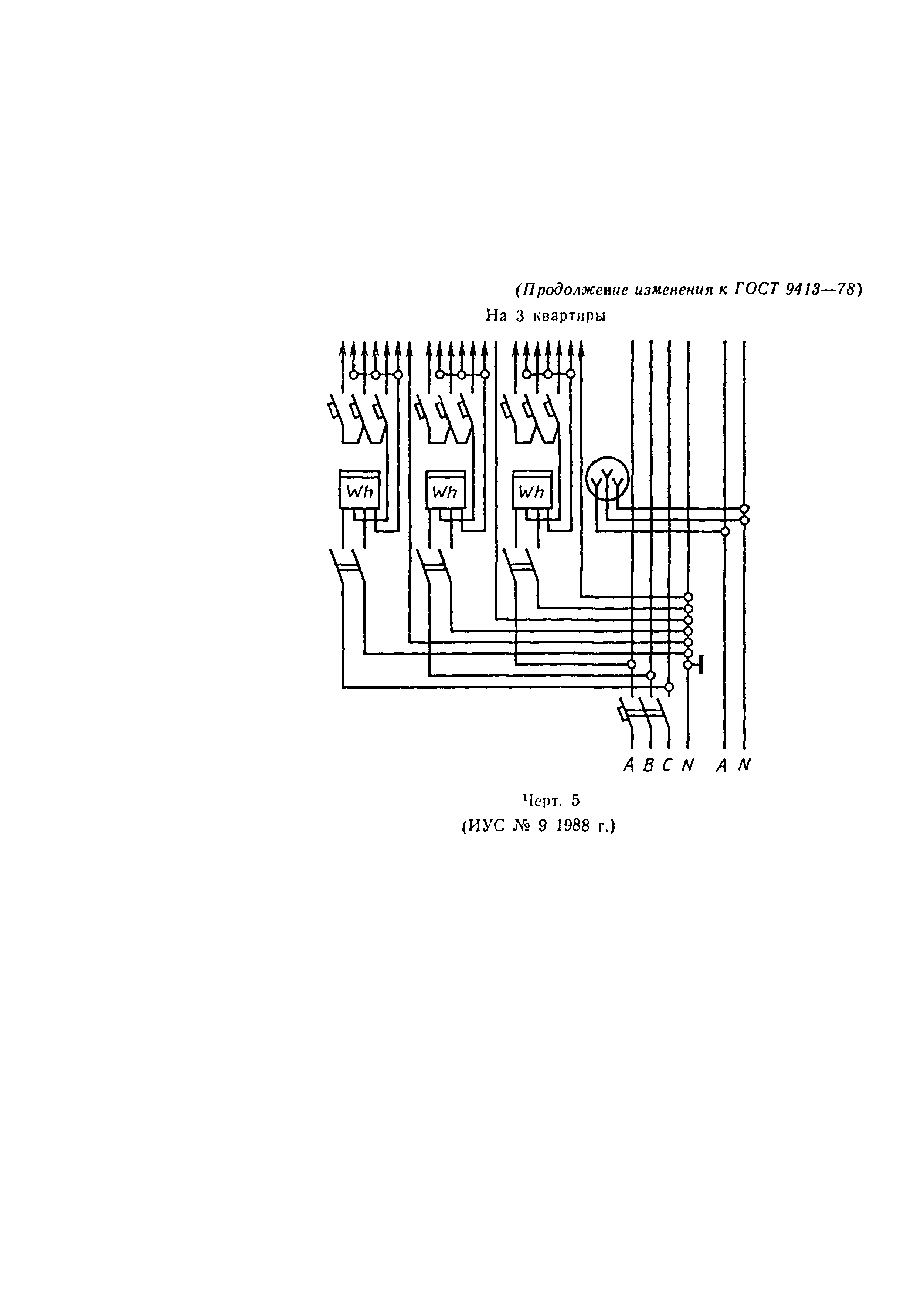
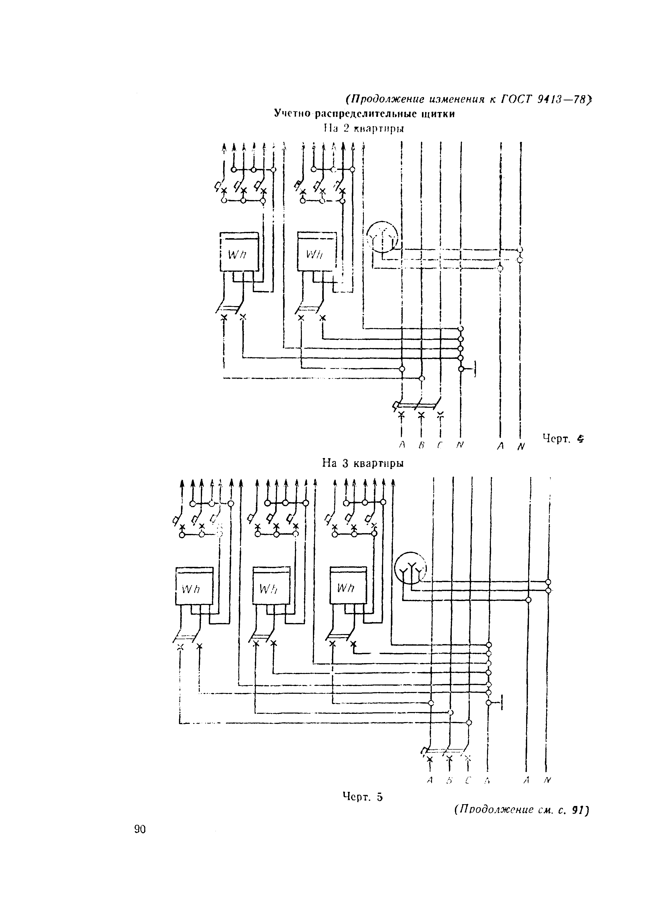
| Область применения: | Настоящий стандарт распространяется на осветительные щитки для жилых зданий, предназначенные для распределения и учета электроэнергии напряжением 220 В, а также для защиты линии при перегрузках и коротких замыканиях в сетях с глухозаземленной нейтралью трехфазного переменного напряжения 380/220 В частотой 50 Гц |
| Список изменений: | №0 от 01.07.2001 (рег. 05.07.2000) «Поправка к изменению» №1 от 01.01.1984 (рег. 29.06.1983) «Срок действия продлен» №2 от 01.01.1989 (рег. 12.06.1988) «Срок действия продлен» №3 от 01.07.1991 (рег. 26.11.1990) «Срок действия продлен» №4 от 01.05.1992 (рег. 01.11.1991) «Срок действия продлен» |
| Расположен в: | |
































