| Обозначение: |    ГОСТ 9224-89 | 
| Статус: | заменён | 
| Название рус.: | Автоматы для холодной навивки пружин. Параметры. Нормы точности | 
| Название англ.: | Automatic spring cold coil machines. Parameters. Norms of accuracy | 
| Дата актуализации текста: | 06.04.2015 | 
| Дата актуализации описания: | 01.07.2023 | 
| Дата издания: | 07.12.1989 | 
| Дата введения: | 01.01.1991 | 
| Дата окончания срока действия: | 01.01.2002 | 
| Код ОКП: | 382451 | 
| Взамен: |  ГОСТ 9224-74; ГОСТ 10712-74 | 
| Заменяющий: |  ГОСТ 9224-98 | 
| Содержит требования: | СТ СЭВ 1830-79 | 
| Нормативные ссылки: |  ГОСТ 15961-80 | 
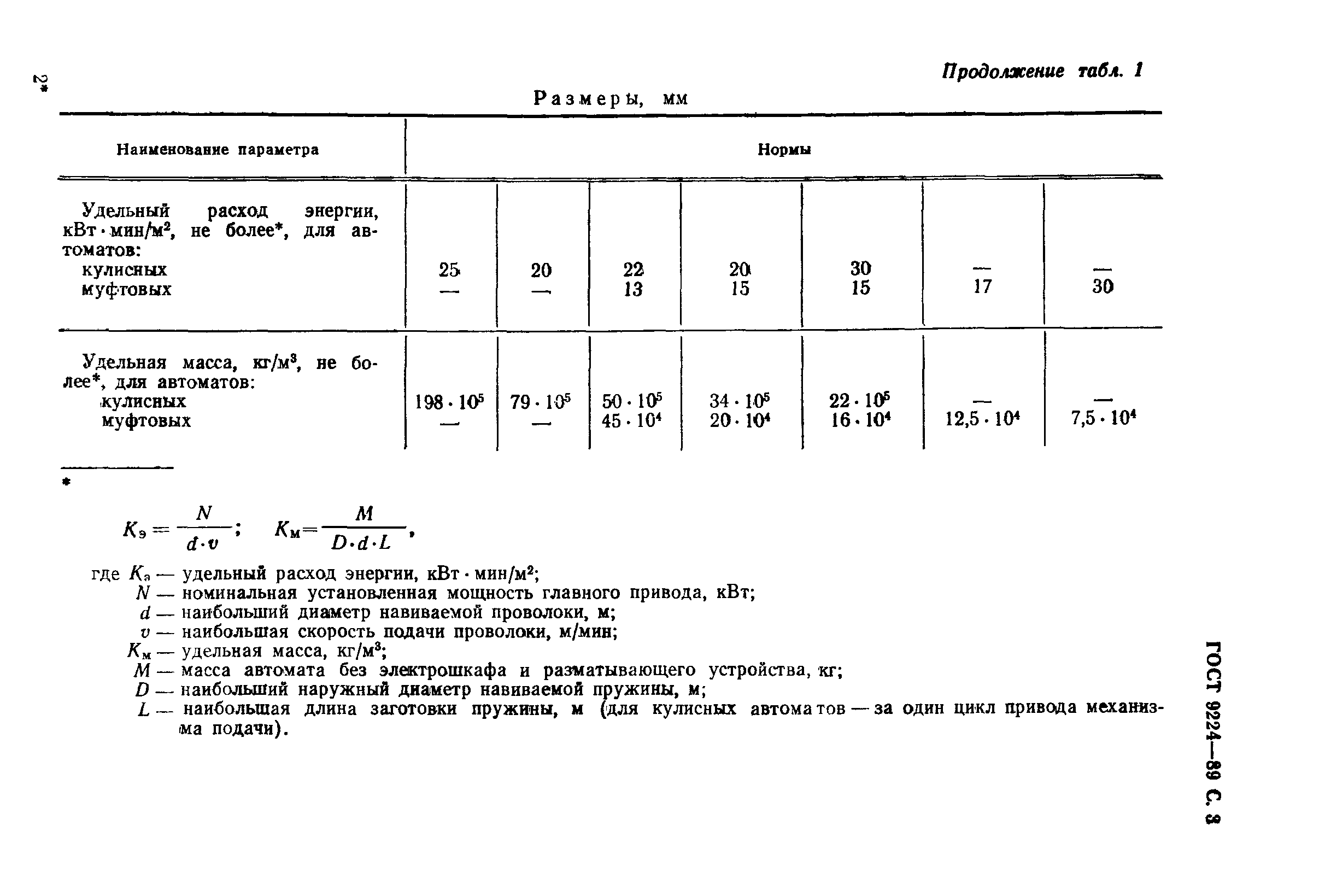
| Область применения: | Настоящий стандарт распространяется на автоматы кулисного и муфтового видов для холодной правой и левой навивки цилиндрических, конических и бочкообразных пружин с постоянным и переменным шагом из проволоки круглого сечения, изготовляемые для нужд народного хозяйства и экспорта. Стандарт не распространяется на автоматы для холодной навивки корсетных пружин, автоматы для изготовления пружин кручения и автоматы с ЧПУ | 
 | 
| Расположен в: | 
  |