| Обозначение: |  ГОСТ 8188-87 |
| Статус: | отменён |
| Название рус.: | Угли каменные и антрацит Донецкого бассейна для бытовых нужд населения. Технические условия |
| Название англ.: | Hard coals аnd anthracite of Donetsк Basin for domestic needs. Specifications |
| Дата актуализации текста: | 06.04.2015 |
| Дата актуализации описания: | 01.07.2023 |
| Дата издания: | 11.05.1987 |
| Дата введения: | 01.01.1988 |
| Дата окончания срока действия: | 01.04.1994 |
| Код ОКП: | 032100 |
| Взамен: | ГОСТ 8188-74 |
| Нормативные ссылки: | ГОСТ 147-74; ГОСТ 1137-64; ГОСТ 1916-75; ГОСТ 8108-86; ГОСТ 10742-71; ГОСТ 11014-81; ГОСТ 11022-75; ГОСТ 11055-78; ГОСТ 19242-73; ГОСТ 22235-76; ГОСТ 25543-88; ГОСТ 27314-87 |
| Область применения: | Настоящий стандарт распространяется на каменные угли и антрацит Донецкого бассейна, предназначенные для бытовых нужд населения, и не распространяется на угли, выделяемые по коллективным договорам работникам угольных предприятий, не имеющих сортировок |
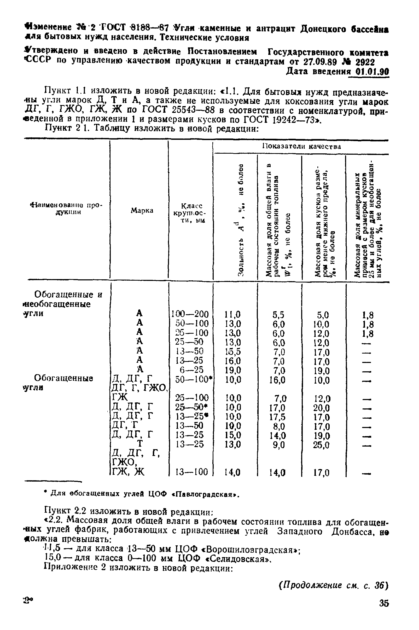
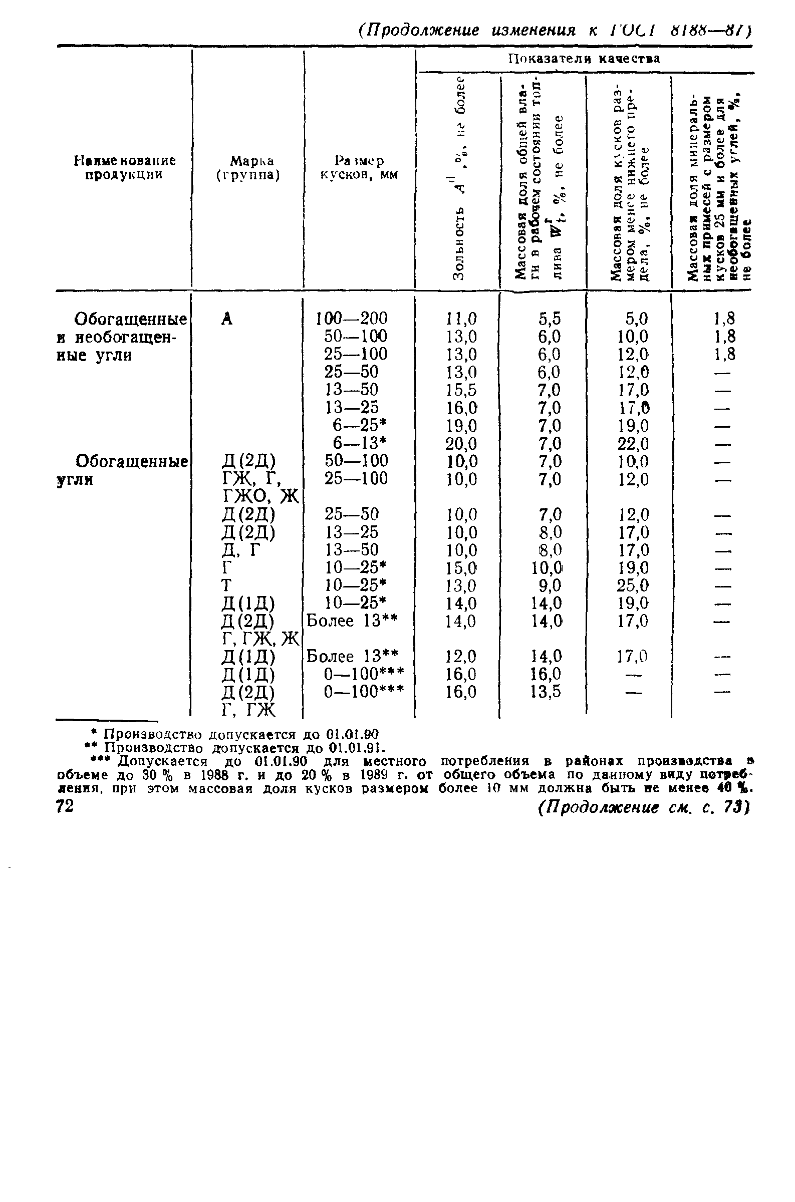
| Список изменений: | №1 от 01.07.1988 (рег. 03.03.1988) «Срок действия продлен» №2 от 01.01.1991 (рег. 26.09.1989) «Срок действия продлен» №3 от 01.07.1992 (рег. 11.12.1991) «Срок действия продлен» №4 от 01.01.1993 (рег. 16.09.1992) «Срок действия продлен» |
|
| Расположен в: |
|