| Обозначение: |  ГОСТ 6102-78 |
| Статус: | заменён |
| Название рус.: | Ткани асбестовые. Технические условия |
| Название англ.: | Asbestos cloth. Specifications |
| Дата актуализации текста: | 06.04.2015 |
| Дата актуализации описания: | 01.07.2023 |
| Дата введения: | 01.07.1979 |
| Дата окончания срока действия: | 01.01.1996 |
| Код ОКП: | 257420 |
| Взамен: | ГОСТ 6102-67 |
| Заменяющий: | ГОСТ 6102-94 |
| Нормативные ссылки: | ГОСТ 22030-76; ГОСТ 6825-74; ГОСТ 14192- |
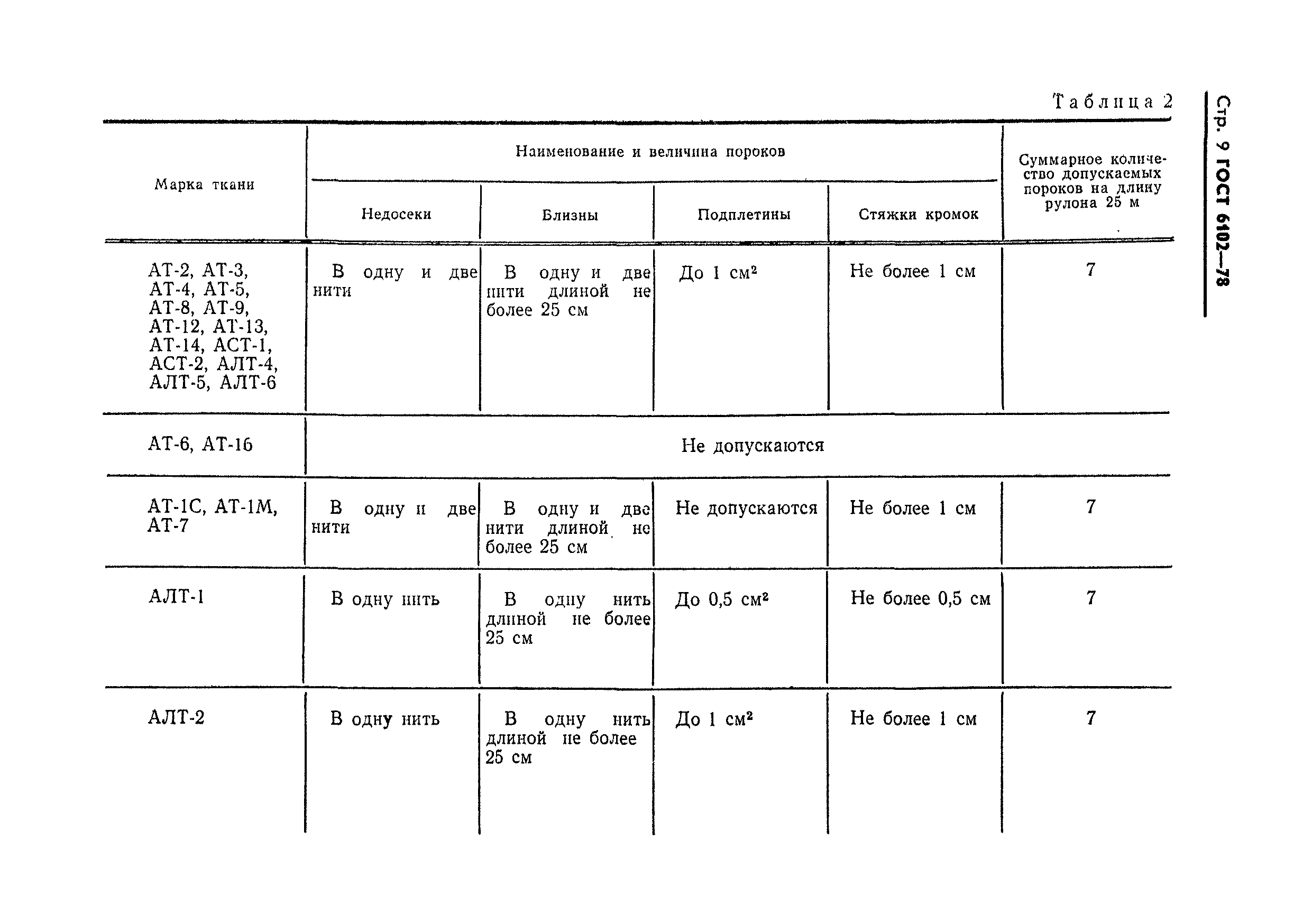
| Область применения: | Настоящий стандарт распространяется на асбестовые ткани, применяемые в качестве теплоизоляции, диафрагмы при электролизе воды, а также для изготовления теплоизоляционных материалов, асботекстолитов, прорезиненных набивок, прокладочных колец и манжет. Настоящий стандарт распространяется на ткани, изготовляемые для нужд народного хозяйства и для экспорта. 1. Марки и основные параметры 2. Технические требования 3. Правила приемки 4. Методы испытаний 5. Упаковка, маркировка, транспортирование и хранение 6. Гарантии изготовителя |
| Список изменений: | №4 от 01.05.1988 (рег. 21.12.1987) «Срок действия продлен» №5 от 01.03.1989 (рег. 27.09.1988) «Срок действия продлен» |
|
| Расположен в: |
|