| ||||||||||||||||||||||||||||||||||||||
 Скачать ГОСТ 4832-80 Чугун литейный. Технические условияДата актуализации: 01.06.2025
 | ||||||||||||||||||||||||||||||||||||||
| Обозначение: | ![]()   ГОСТ 4832-80 | 
| Статус: | заменён | 
| Название рус.: | Чугун литейный. Технические условия | 
| Название англ.: | Foundry pig iron. Specifications | 
| Дата актуализации текста: | 06.04.2015 | 
| Дата актуализации описания: | 01.07.2023 | 
| Дата издания: | 01.09.1989 | 
| Дата введения: | 01.01.1982 | 
| Дата окончания срока действия: | 01.07.1999 | 
| Код ОКП: | 081200 | 
| Взамен: |  ГОСТ 4832-72; ГОСТ 5.1751-72 | 
| Заменяющий: |  ГОСТ 4832-95 | 
| Нормативные ссылки: |  ГОСТ 7565-81; ГОСТ 22536.1-77; ГОСТ 22536.2-77; ГОСТ 22536.3-77; ГОСТ 22536.4-77; ГОСТ 22536.5-77; ГОСТ 22536.6-77; ГОСТ 22536.7-77; ГОСТ 22536.8-77; ГОСТ 22536.13-77 | 
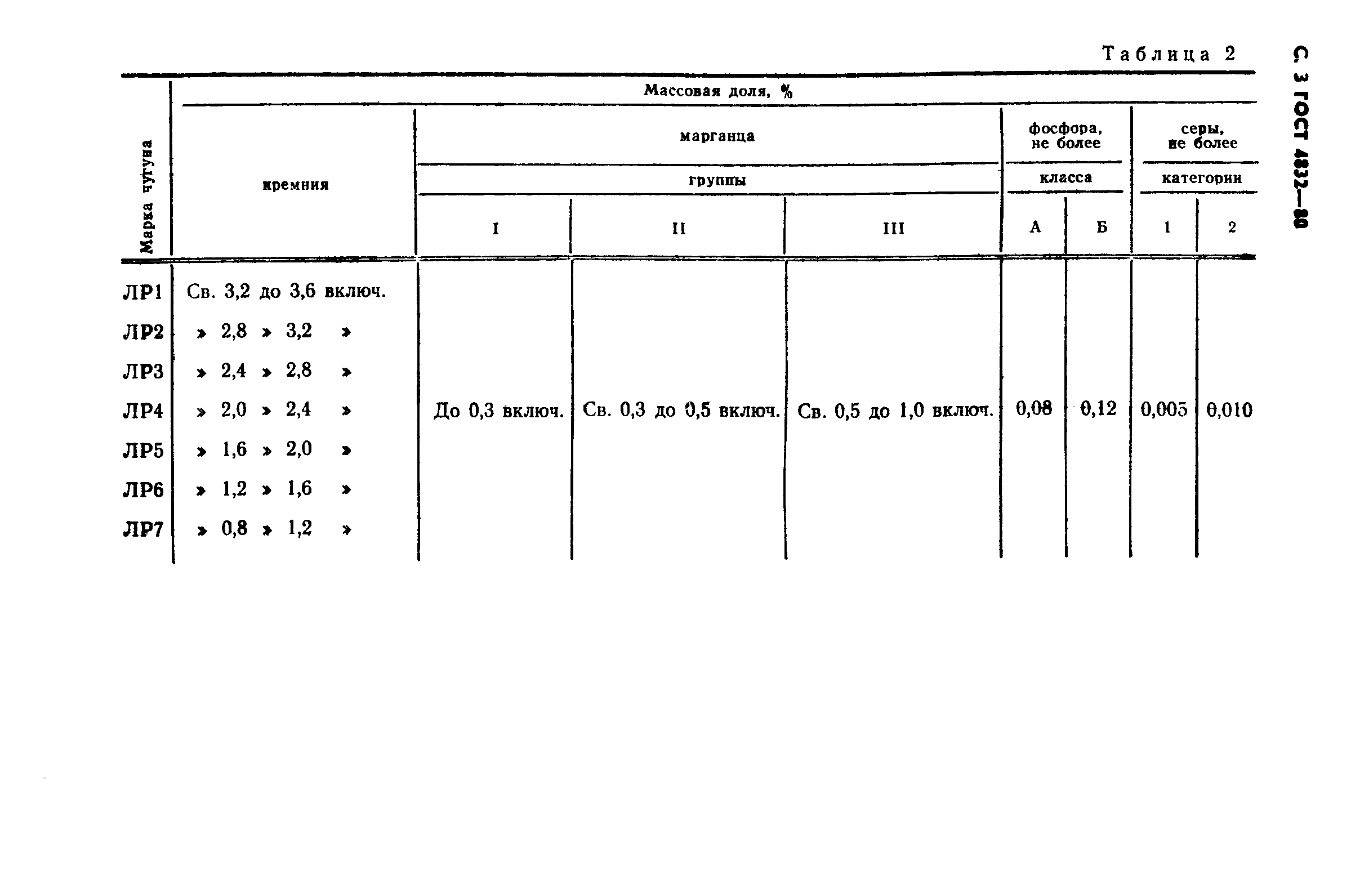
| Область применения: | Настоящий стандарт распространяется на литейный чугун, предназначенный для дальнейшей переплавки в чугунолитейных цехах при производстве отливок | 
| Список изменений: | №1 от 01.01.1987 (рег. 22.07.1986) «Срок действия продлен» | 
| Расположен в: | |







