| Обозначение: |    ГОСТ 3044-84 | 
| Статус: | не действует в РФ | 
| Название рус.: | Преобразователи термоэлектрические. Номинальные статические характеристики преобразования | 
| Название англ.: | Thermoelectric converters. Nominal static graduation tables | 
| Дата актуализации текста: | 06.04.2015 | 
| Дата актуализации описания: | 01.01.2021 | 
| Дата издания: | 01.07.1989 | 
| Дата введения: | 01.01.1986 | 
| Дата окончания срока действия: | 01.01.1994 | 
| Код ОКП: | 421150 | 
| Взамен: |  ГОСТ 3044-77 | 
| На территории РФ пользоваться: |  ГОСТ Р 8.585-2001 | 
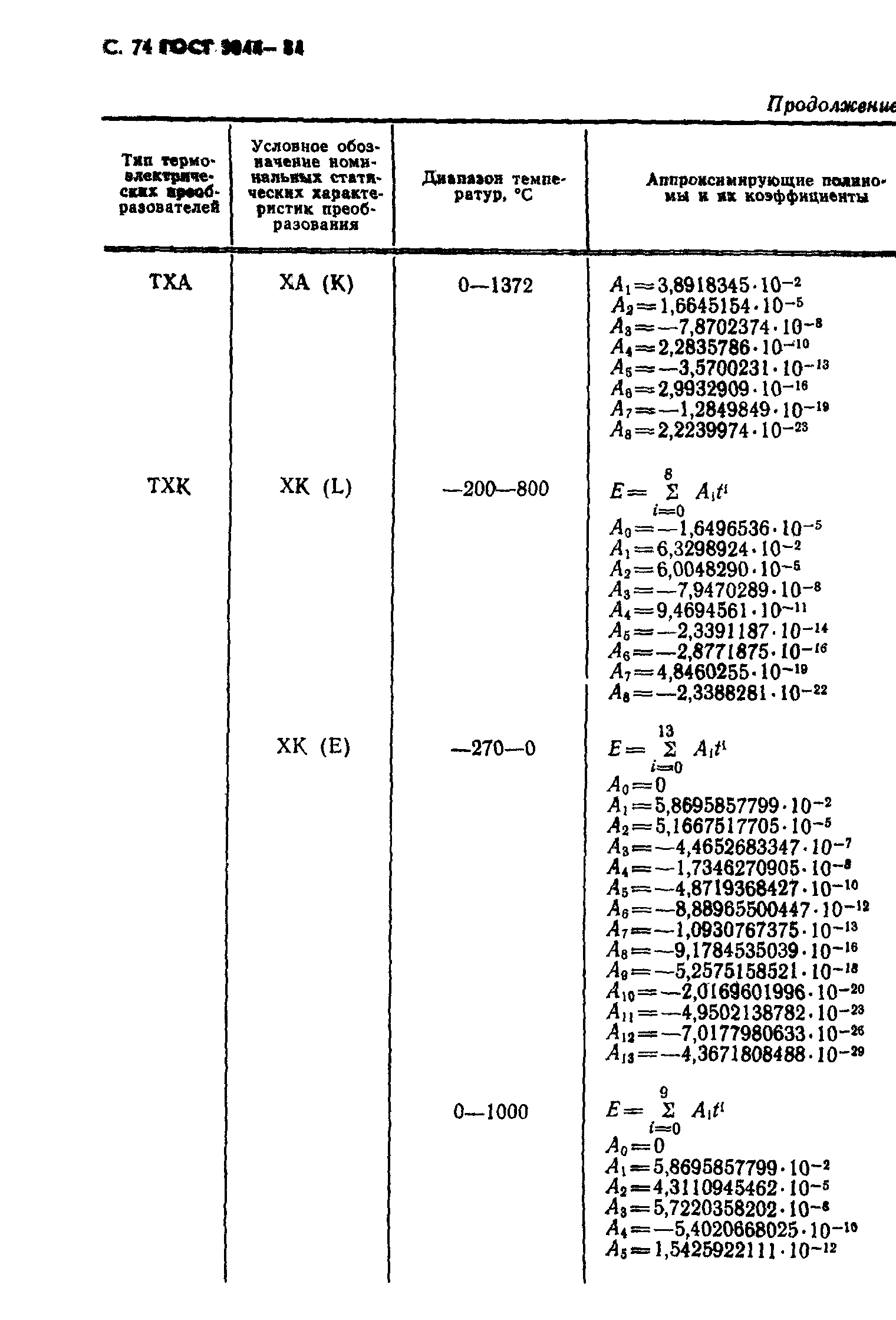
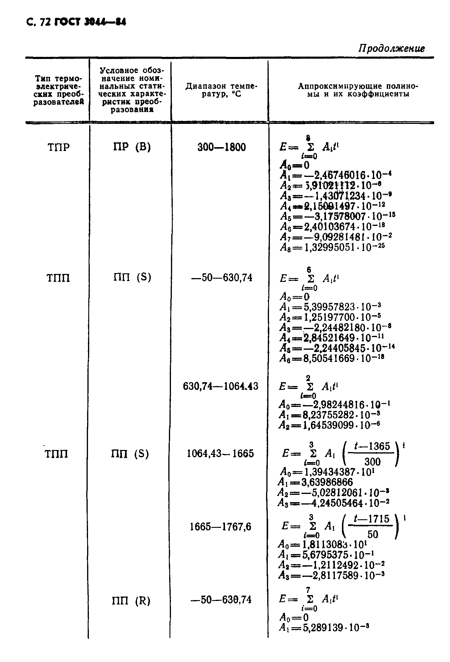
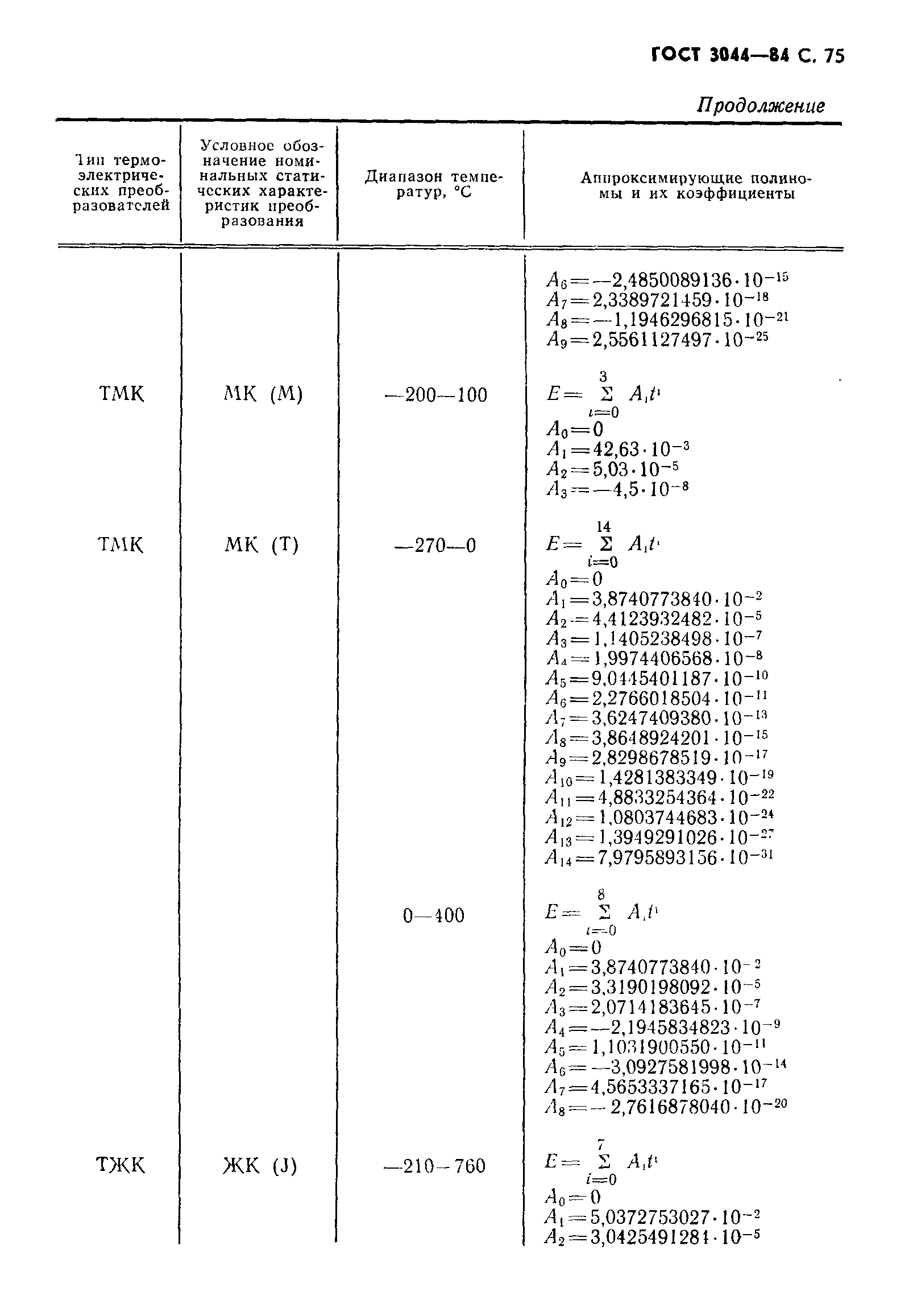
| Область применения: | Настоящий стандарт распространяется на термоэлектрические преобразователи с металлическими электродами и устанавливает номинальные статические характеристики преобразования термопар, т.е. зависимость термоэлектродвижущей силы термопар от температуры рабочего конца при температуре свободных концов 0 град. С | 
| Список изменений: | №0 от 01.01.1994 (рег. 15.12.1992) «Поправка к изменению» №1 от 01.01.1988 (рег. 29.10.1986) «Срок действия продлен» №2 от 01.07.1988 (рег. 22.02.1988) «Срок действия продлен» №3 от 01.02.1990 (рег. 24.07.1989) «Срок действия продлен» | 
 | 
| Расположен в: | 
  |