| Обозначение: |  ГОСТ 12595-85 |
| Статус: | заменён |
| Название рус.: | Станки металлорежущие. Концы шпинделей фланцевые типа А. Основные и присоединительные размеры |
| Название англ.: | Metal-cutting machine-tools. Flanged spindle noses of A type. Basis and coupling dimensions |
| Дата актуализации текста: | 06.04.2015 |
| Дата актуализации описания: | 01.07.2023 |
| Дата издания: | 01.12.1998 |
| Дата введения: | 01.07.1987 |
| Дата окончания срока действия: | 01.07.2005 |
| Код ОКП: | 387300 |
| Взамен: | ГОСТ 12595-72 |
| Заменяющий: | ГОСТ 12595-2003 |
| Содержит требования: | ISO 702-1:1975;CT CЭB 4852-84 |
| Нормативные ссылки: | ГОСТ 9.306-85; ГОСТ 1050-88; ГОСТ 2789-73; ГОСТ 2848-75; ГОСТ 10549-80; ГОСТ 11738-84; ГОСТ 16093-81; ГОСТ 24705-81; ГОСТ 25557-82 |
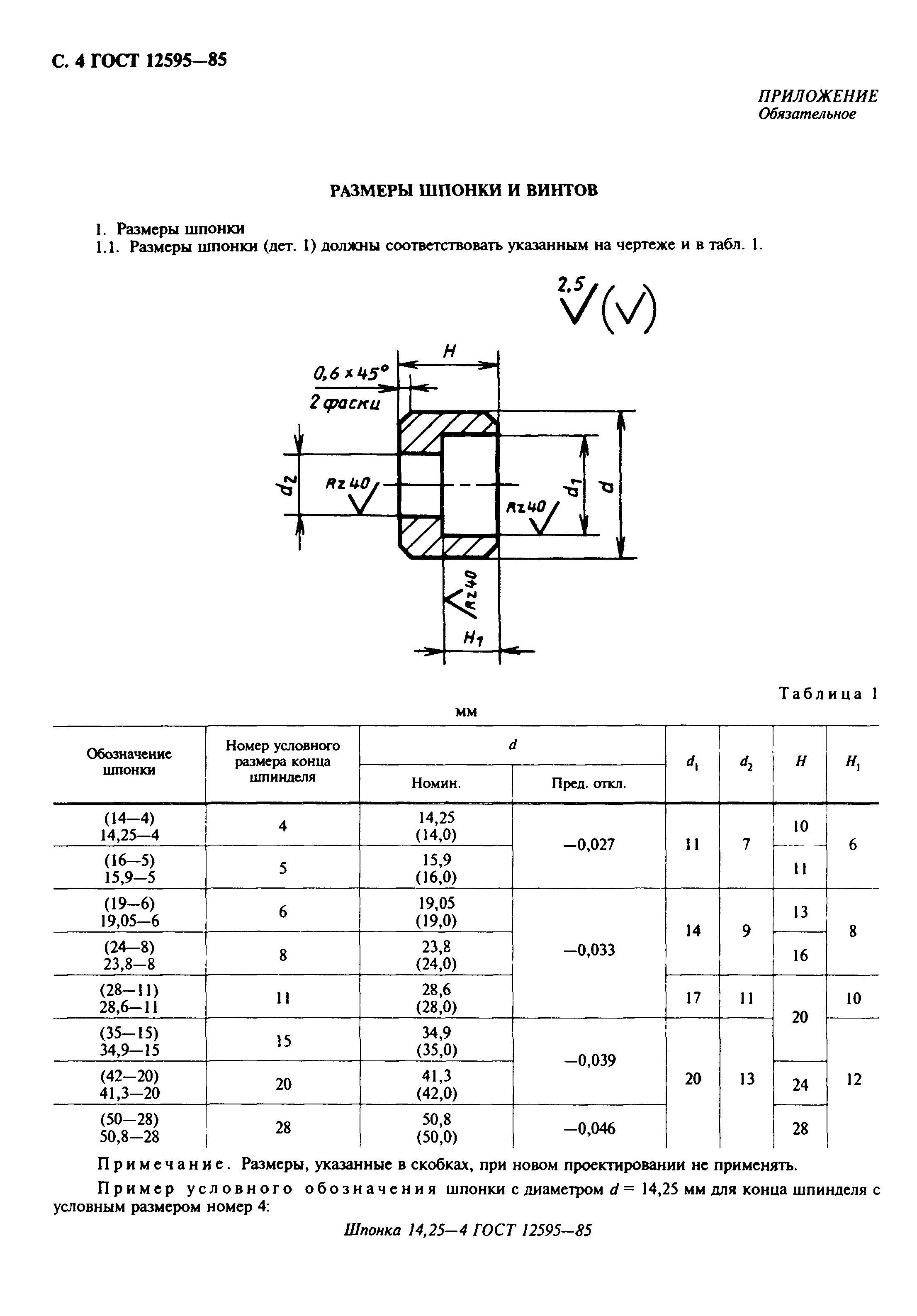
| Область применения: | Настоящий стандарт распространяется на фланцевые концы шпинделей с коротким конусом типа А для токарных и шлифовальных станков |
| Список изменений: | №1 от 01.07.1988 (рег. 07.04.1988) «Срок действия продлен» |
|
| Расположен в: |
|