| ||||||||||||||||||||||||||||||||||||||||||
Скачать ГОСТ 10585-75 Топливо нефтяное. Мазут. Технические условияДата актуализации: 01.06.2025
| ||||||||||||||||||||||||||||||||||||||||||
| Обозначение: | ![]() ГОСТ 10585-75 |
| Статус: | заменён |
| Название рус.: | Топливо нефтяное. Мазут. Технические условия |
| Название англ.: | Oil fuel. Mazut. Specifications |
| Дата актуализации текста: | 06.04.2015 |
| Дата актуализации описания: | 01.07.2023 |
| Дата издания: | 01.04.1982 |
| Дата введения: | 01.02.1977 |
| Дата окончания срока действия: | 01.01.2001 |
| Код ОКП: | 025212;025210 |
| Взамен: | ГОСТ 10585-63 |
| Заменяющий: | ГОСТ 10585-99 |
| Взамен в части: | ГОСТ 5.1712-72 кроме топлива для мартеновских печей |
| Содержит требования: | СТ СЭВ 6170-88 |
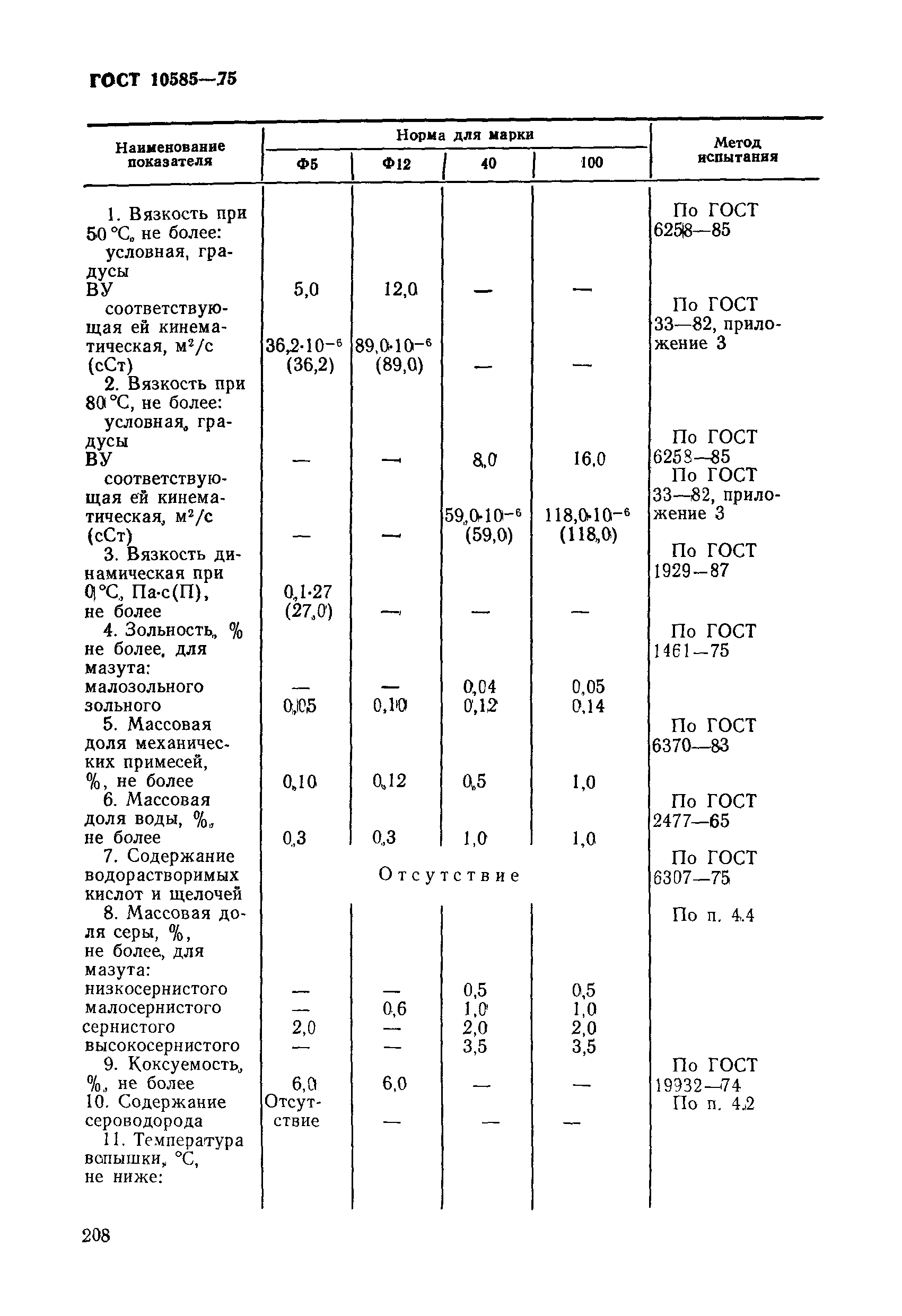
| Нормативные ссылки: | ГОСТ 6258-85; ГОСТ 33-82; ГОСТ 1929-87; ГОСТ 1461-75; ГОСТ 6370-83; ГОСТ 2477-65; ГОСТ 6307-75; ГОСТ 19932-74; ГОСТ 6356-75; ГОСТ 4333-87; ГОСТ 20287-91; ГОСТ 21261-91; ГОСТ 3900-85; ГОСТ 2517-85; ГОСТ 25336-82; ГОСТ 4328-77; ГОСТ 3118-77; ГОСТ 1027-67; ГОСТ 12026-76; ГОСТ 1510-84; ГОСТ 1437-75; ГОСТ 1431-85; ГОСТ 3877-88; ГОСТ 12.1.007-76; ГОСТ 12.1.005-88 |
| Область применения: | Настоящий стандарт распространяется на топливо, получаемое из продуктов первичной, вторичной переработки нефти, газоконденсатного сырья на Астраханском ГПЗ и предназначенное для транспортных котельных и технологических установок |
| Список изменений: | №0 от 30.06.1987 (рег. 29.06.1987) «Срок действия продлен» №1 от 01.02.1977 (рег. 26.01.1977) «Срок действия продлен» №2 от 01.04.1982 (рег. 30.12.1981) «Срок действия продлен» №3 от 01.01.1990 (рег. 09.05.1989) «Срок действия продлен» №4 от 01.02.1991 (рег. 01.08.1990) «Срок действия продлен» №5 от 01.04.1993 (рег. 14.10.1992) «Срок действия продлен» |
| Расположен в: | |







