| Обозначение: |  ГОСТ Р 52914-2008 |
| Статус: | действующий |
| Название рус.: | Двигатели тракторные и комбайновые. Виброакустические показатели и методы испытаний |
| Название англ.: | Tractor and combine harvester engines. Vibroacоustic characteristics and testing methods |
| Дата актуализации текста: | 06.04.2015 |
| Дата актуализации описания: | 01.07.2023 |
| Дата издания: | 17.07.2008 |
| Дата введения: | 01.07.2008 |
| Нормативные ссылки: | ГОСТ Р 51401-99; ГОСТ Р ИСО 5348-99; ГОСТ 8.417-2002; ГОСТ 12.1.012-90; ГОСТ 17168-82; ГОСТ 18509-88; ГОСТ 30296-95 |
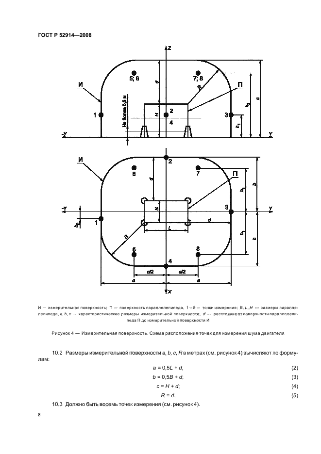
| Область применения: | Настоящий стандарт распространяется на дизельные двигатели, предназначенные для тракторов (в том числе самоходных шасси), сельскохозяйственных комбайнов и других самоходных сельскохозяйственных машин. Настоящий стандарт устанавливает предельные значения и методы определения шумовых и вибрационных характеристик двигателя, а также требования к глушителю в части шума процесса выпуска |
|
| Расположен в: |
|