| Обозначение: |  ГОСТ Р 50794-95 |
| Статус: | заменён |
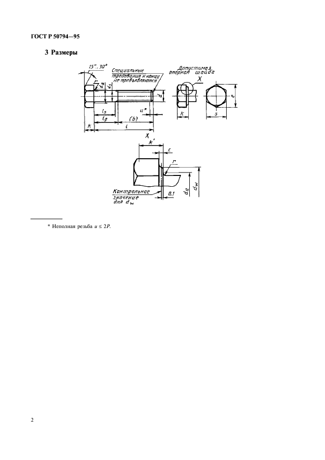
| Название рус.: | Болты с шестигранной головкой класса точности С. Технические условия |
| Название англ.: | Hexagon head bolts, product grade C. Specifications |
| Дата актуализации текста: | 06.04.2015 |
| Дата актуализации описания: | 01.07.2023 |
| Дата издания: | 01.11.2006 |
| Дата введения: | 01.07.1996 |
| Дата окончания срока действия: | 01.07.2014 |
| Код ОКП: | 128200 |
| Заменяющий: | ГОСТ Р ИСО 4016-2013 |
| Содержит требования: | ISO 4016:1988 |
| Нормативные ссылки: | ГОСТ 1759.0-87; ГОСТ 1759.1-82; ГОСТ 1759.2-82; ГОСТ 1759.4-87; ГОСТ 16093-2004; ГОСТ 17769-83; ГОСТ 24705-2004; ГОСТ Р 50792-95 |
| Область применения: | Настоящий стандарт распространяется на болты с шестигранной головкой с диаметрами резьбы от М 5 до М 64 класса точности С |
|
| Расположен в: |
|