| ||||||||||||||||||||||||||||||||
Скачать ГОСТ 5525-88 Части соединительные чугунные, изготовленные литьем в песчаные формы для трубопроводов. Технические условияДата актуализации: 01.06.2025
| ||||||||||||||||||||||||||||||||
| Обозначение: | ![]() ГОСТ 5525-88 |
| Статус: | действующий |
| Название рус.: | Части соединительные чугунные, изготовленные литьем в песчаные формы для трубопроводов. Технические условия |
| Название англ.: | Pig iron connecting parts manufactured by pouring into sand moulds for pipelines. Specifications |
| Дата актуализации текста: | 06.04.2015 |
| Дата актуализации описания: | 01.07.2023 |
| Дата издания: | 26.10.2010 |
| Дата введения: | 01.01.1990 |
| Код ОКП: | 146000 |
| Взамен в части: | ГОСТ 5525-61, кроме условных графических обозначений |
| Нормативные ссылки: | ГОСТ 1412-85; ГОСТ 3845-75; ГОСТ 9012-59; ГОСТ 10692-80; ГОСТ 22536.0-87; ГОСТ 22536.1-88; ГОСТ 22536.2-87; ГОСТ 22536.3-88; ГОСТ 22536.4-88; ГОСТ 22536.5-87; ГОСТ 22536.6-88; ГОСТ 24648-90 |
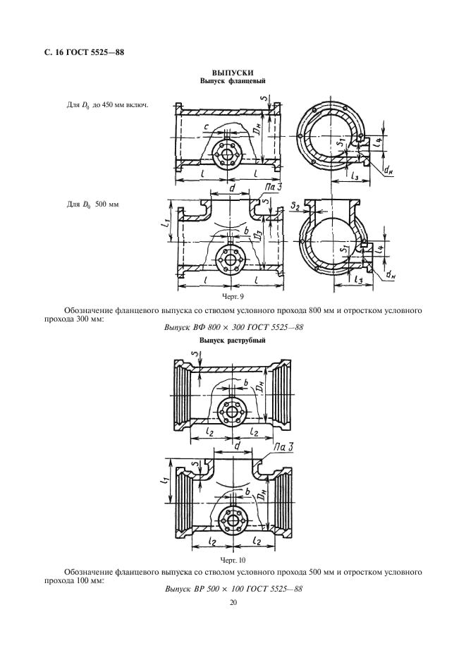
| Область применения: | Настоящий стандарт распространяется на части соединительные чугунные, изготовленные литьем в песчаные формы для трубопроводов |
| Расположен в: | |












































