| Обозначение: |  ГОСТ Р 50321-92 |
| Статус: | действующий |
| Название рус.: | Электромеханические переключатели, используемые в электронной аппаратуре. Групповые технические условия на микропереключатели |
| Название англ.: | Electromechanical switches for use in electronic equipment. Sectional specification for sensitive switches |
| Дата актуализации текста: | 06.04.2015 |
| Дата актуализации описания: | 01.07.2023 |
| Дата издания: | 05.01.1993 |
| Дата введения: | 01.07.1993 |
| Код ОКП: | 631501 |
| Содержит требования: | IEC 61020-6(1991) |
| Нормативные ссылки: | ГОСТ 28198-89; ГОСТ 28203-89; ГОСТ 28208-89; ГОСТ 28213-89; ГОСТ 28381-89; ГОСТ 28627-90 |
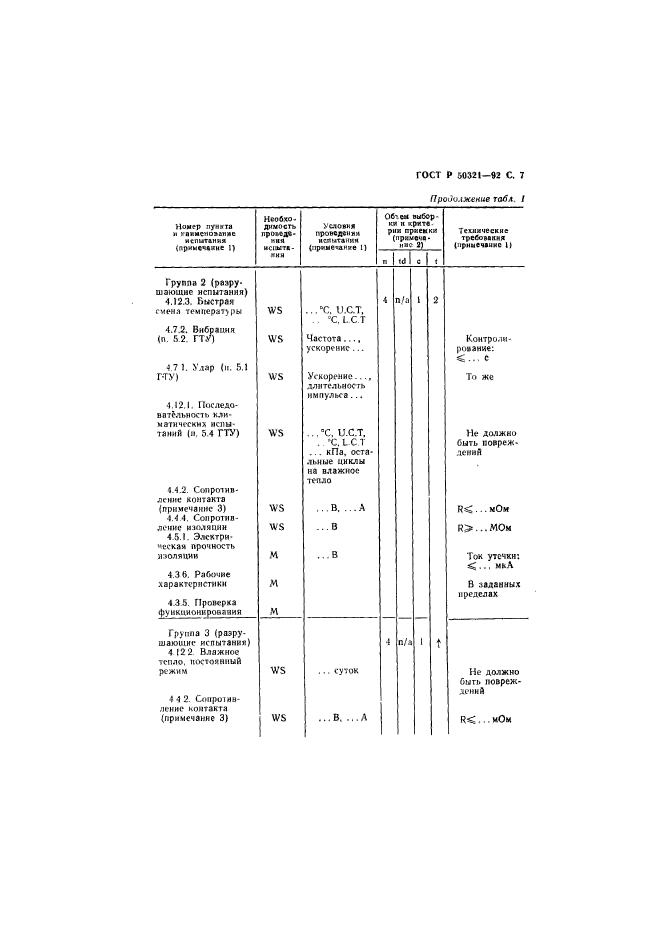
| Область применения: | Настоящий стандарт распространяется на сертифицируемые в рамках Системы сертификации изделий электронной техники МЭК микропереключатели, являющиеся подсемейством электромеханических переключателей и рассчитанные на номинальное напряжение не более 300 В и номинальный ток не более 25 А (постоянного тока или эффективных значений переменного тока). Настоящий стандарт распространяется (но не ограничивается ими) на следующие подсемейства микропереключателей: - микропереключатели с одинарным разрывом цепи; - микропереключатели с двойным разрывом цепи; - блоки микропереключателей с одинарным разрывом цепи; - блоки микропереключателей с двойным разрывом цепи |
|
| Расположен в: |
|