| Обозначение: |  ГОСТ Р 51323.2-99 |
| Статус: | отменён |
| Название рус.: | Вилки, штепсельные розетки и соединительные устройства промышленного назначения. Часть 2. Требования к взаимозаменяемости размеров штырей и контактных гнезд соединителей |
| Название англ.: | Plugs, socket-outlets and couplers for industrial purposes. Part 2. Dimensional interchangeability requirements for pin and contact-tube accessories |
| Дата актуализации текста: | 06.04.2015 |
| Дата актуализации описания: | 01.01.2021 |
| Дата издания: | 25.05.2000 |
| Дата введения: | 01.01.2001 |
| Дата окончания срока действия: | 01.01.2014 |
| Код ОКП: | 346400 |
| Содержит требования: | IEC 60309-2(1999) |
| На территории РФ пользоваться: | ГОСТ 30849.2-2002 |
| Нормативные ссылки: | IEC 60617-2(1983); ГОСТ Р 51323.1-99 |
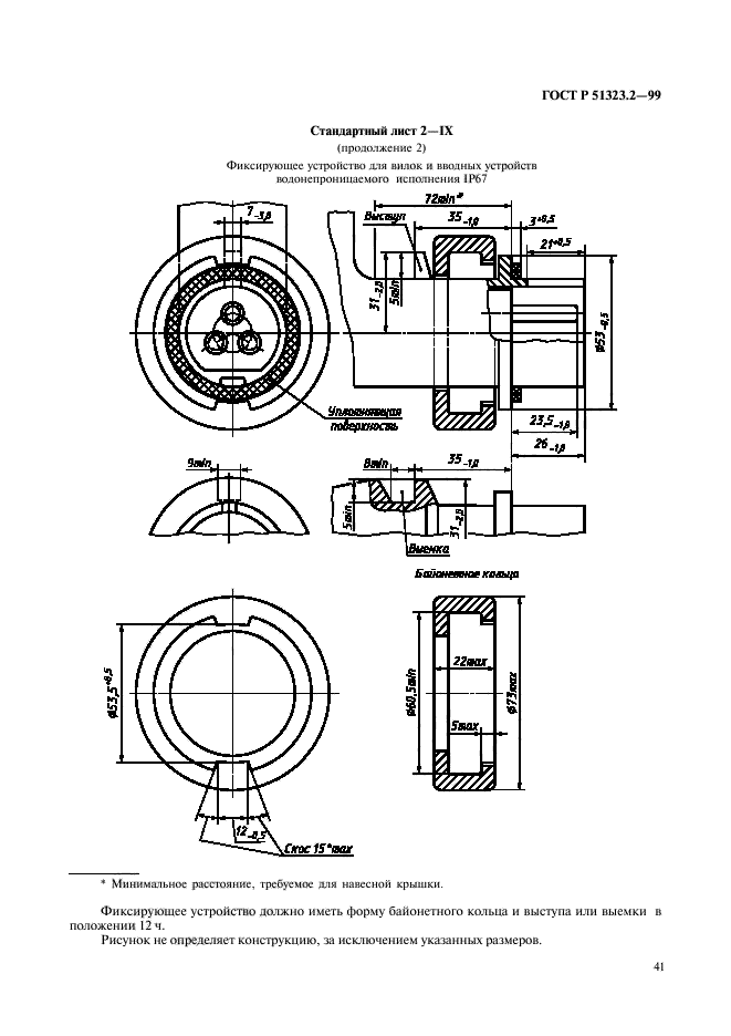
| Область применения: | Настоящий стандарт распространяется на штепсельные соединители, кабельные соединители и вводные соединители промышленного назначения (далее - соединители) на номинальное рабочее напряжение не более 690 В постоянного и переменного тока частотой до 500 Гц и номинальный ток не более 125 А, применяемые для установки внутри и снаружи помещений |
| Список изменений: | №0 от 01.01.2014 (рег. 15.11.2012) «Текстовое изменение; Изменено заглавие» |
|
| Расположен в: |
|