| Обозначение: |    ГОСТ 7842-71 | 
| Статус: | действующий | 
| Название рус.: | Приборы электровакуумные. Размеры присоединительные. Расположение штырьков. Калибры | 
| Название англ.: | Electronic tubes and valves. Compatibility dimensions. Pin alignment. Gauges | 
| Дата актуализации текста: | 06.04.2015 | 
| Дата актуализации описания: | 01.07.2023 | 
| Дата издания: | 01.06.1987 | 
| Дата введения: | 01.01.1973 | 
| Код ОКП: | 634300;634400 | 
| Взамен: |  ГОСТ 7842-64 | 
| Нормативные ссылки: |  ГОСТ 10356-63; ГОСТ 16085-70 | 
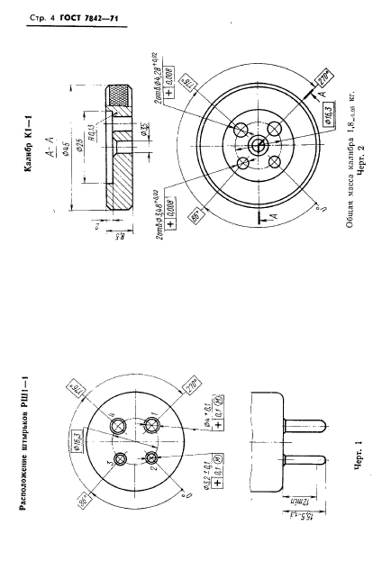
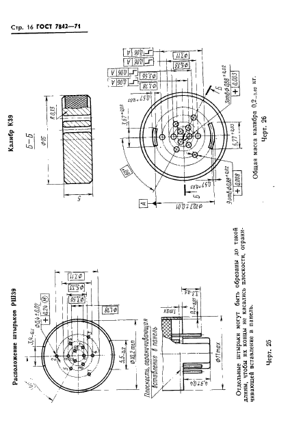
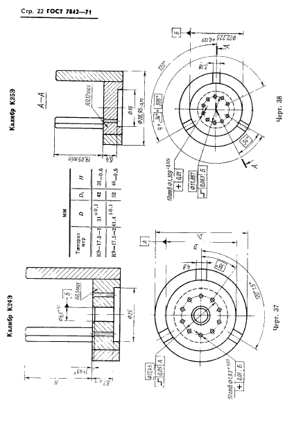
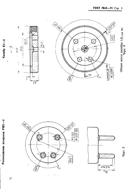
| Область применения: | Настоящий стандарт распространяется на электровакуумные приборы и устанавливает расположение штырьков, основные размеры и допускаемые отклонения, необходимые для обеспечения сопряжения с панелью, а также основные размеры приемных калибров для их проверки | 
 | 
| Расположен в: | 
  |