| ||||||||||||||||||||||||||||||||||
Скачать ГОСТ 10127-75 Бумага-основа влагопрочная для шлифовальных шкурок. Технические условияДата актуализации: 01.06.2025
| ||||||||||||||||||||||||||||||||||
| Обозначение: | ![]() ГОСТ 10127-75 |
| Статус: | действующий |
| Название рус.: | Бумага-основа влагопрочная для шлифовальных шкурок. Технические условия |
| Название англ.: | Moisture-proof base paper for abrasive materials. Specifications |
| Дата актуализации текста: | 06.04.2015 |
| Дата актуализации описания: | 01.07.2023 |
| Дата издания: | 01.05.1979 |
| Дата введения: | 01.01.1977 |
| Код ОКП: | 543753 |
| Взамен: | ГОСТ 10127-62 |
| Нормативные ссылки: | ГОСТ 7500-75; ГОСТ 13525.19-71; ГОСТ 13199-67; ГОСТ 8047-78; ГОСТ 13525.1-79; ГОСТ 5072-79; ГОСТ 13525.7-68; ГОСТ 21102-80; ГОСТ 13525.1-79; ГОСТ 13523-68; ГОСТ 13525.3-78; ГОСТ 13525.5-68; ГОСТ 8049-62; ГОСТ 1641-75 |
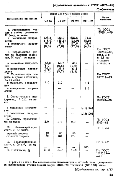
| Область применения: | Настоящий стандарт распространяется на влагопрочную бумагу-основу, предназначенную для изготовления водостойких шлифовальных шкурок |
| Список изменений: | №1 от 01.03.1982 (рег. 25.11.1981) «Срок действия продлен» №2 от 01.02.1985 (рег. 26.09.1984) «Срок действия продлен» №3 от 01.07.1989 (рег. 22.12.1988) «Срок действия продлен» №4 от 01.03.1992 (рег. 09.10.1991) «Срок действия продлен» |
| Расположен в: | |

















