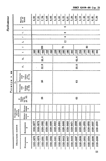
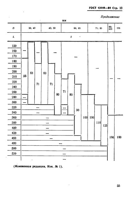
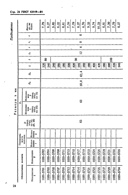
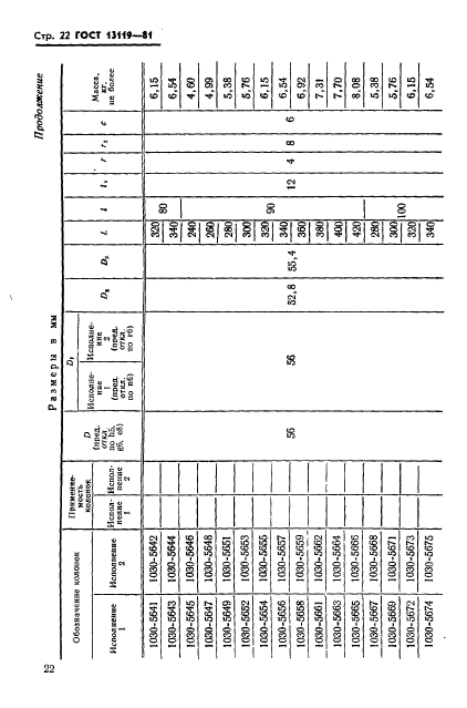
| Обозначение: |  ГОСТ 13119-81 |
| Статус: | действующий |
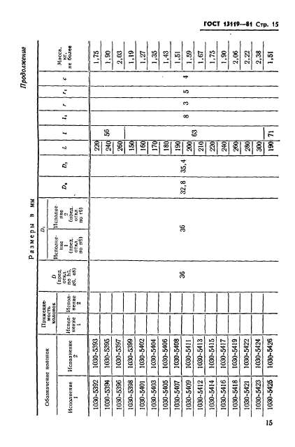
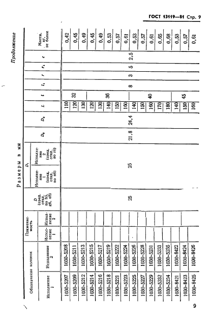
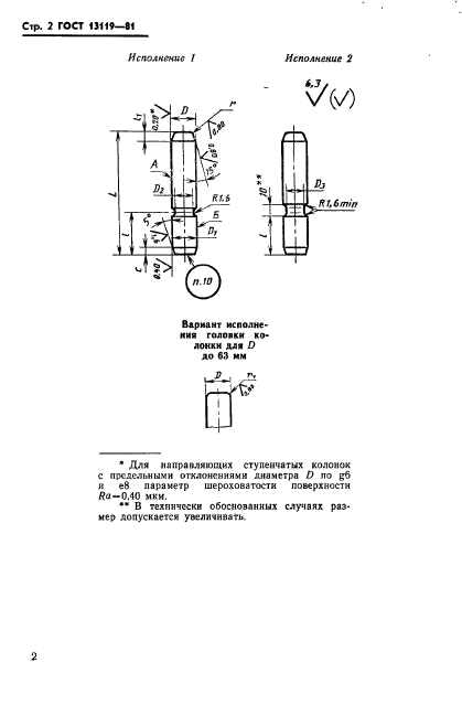
| Название рус.: | Штампы для листовой штамповки. Колонки направляющие ступенчатые. Конструкция и размеры |
| Название англ.: | Die posta with flute for cold plastic working dies. Construction and dimensions |
| Дата актуализации текста: | 06.04.2015 |
| Дата актуализации описания: | 01.01.2021 |
| Дата издания: | 01.06.1987 |
| Дата введения: | 01.01.1982 |
| Код ОКП: | 396330 |
| Взамен: | ГОСТ 13119-75 |
| Содержит требования: | СТ СЭВ 1301-78 |
| Область применения: | Настоящий стандарт распространяется на направляющие ступенчатые колонки, применяемые в направляющих узлах штампов и устанавливаемые по системе отверстия |
| Список изменений: | №1 от 01.01.1987 (рег. 25.03.1986) «Срок действия продлен» |
|
| Расположен в: |
|