| Обозначение: |  ГОСТ 8894-86 |
| Статус: | заменён |
| Название рус.: | Трубы стеклянные и фасонные части к ним. Технические условия |
| Название англ.: | Glass pipes and fittings. Specifications |
| Дата актуализации текста: | 06.04.2015 |
| Дата актуализации описания: | 01.07.2023 |
| Дата издания: | 01.01.1986 |
| Дата введения: | 01.01.1987 |
| Дата окончания срока действия: | 01.11.2019 |
| Код ОКП: | 592500 |
| Взамен: | ГОСТ 8894-77 |
| Заменяющий: | ГОСТ 8894-2018 |
| Нормативные ссылки: | ГОСТ 7502-80; ГОСТ 427-75; ГОСТ 8026-75; ГОСТ 3749-77; ГОСТ 5378-66; ГОСТ 882-75; ГОСТ 166-80 |
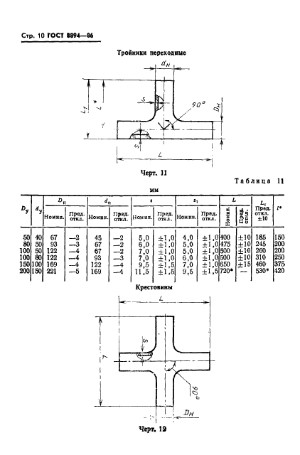
| Область применения: | Настоящий стандарт распространяется на стеклянные трубы и фасонные части к ним из стекла 13В, предназначенные для напорных, безнапорных и вакуумных трубопроводов, используемых для транспортирования жидких, газообразных и твердых веществ с различными физико-химическими свойствами (за исключением плавиковой кислоты) при температуре от минус 50 до плюс 120 град. С. Стеклянные трубы и фасонные части к ним могут быть использованы в качестве деталей аппаратов при температуре от минус 50 до плюс 250 град. С |
|
| Расположен в: |
|