| Обозначение: |  ГОСТ Р 51287-99 |
| Статус: | действующий |
| Название рус.: | Техника телефонная абонентская. Требования безопасности и методы испытаний |
| Название англ.: | Station telephone subscribers. Requirements for safety and test methods |
| Дата актуализации текста: | 01.06.2021 |
| Дата актуализации описания: | 01.07.2023 |
| Дата издания: | 02.11.2020 |
| Дата введения: | 01.07.2000 |
| Код ОКП: | 665400 |
| Отменен в части: | Восстановлен на территории РФ с 01.03.2016 только в отношении продукции, поставляемой по Государственному оборонному заказу |
| На территории РФ пользоваться: | ГОСТ 32068-2013 |
| Нормативные ссылки: | ГОСТ 8.051; ГОСТ 8.417; ГОСТ 12.1.004; ГОСТ 12.1.044; ГОСТ 166; ГОСТ 427; ГОСТ 6507; ГОСТ 7153; ГОСТ 7396.1; ГОСТ 8711; ГОСТ 8810; ГОСТ 14254; ГОСТ 15088; ГОСТ 19472; ГОСТ 25874;ГОСТ OIML R 111-1-2009; ГОСТ Р 51318.20-2012 |
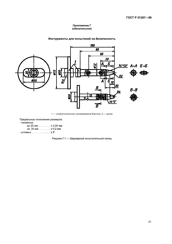
| Область применения: | Настоящий стандарт устанавливает нормы, правила и методы испытаний, являющиеся общими для всей абонентской телефонной техники, соблюдение которых обеспечивает безопасность пользователей |
| Список изменений: | №0 от 01.01.2015 (рег. 17.11.2014) «Текстовое изменение; Изменено заглавие» №0 от 01.03.2016 (рег. 01.03.2016) «Восстановлен на территории РФ» |
|
| Расположен в: |
|