| Обозначение: |  ГОСТ 5348-69 |
| Статус: | действующий |
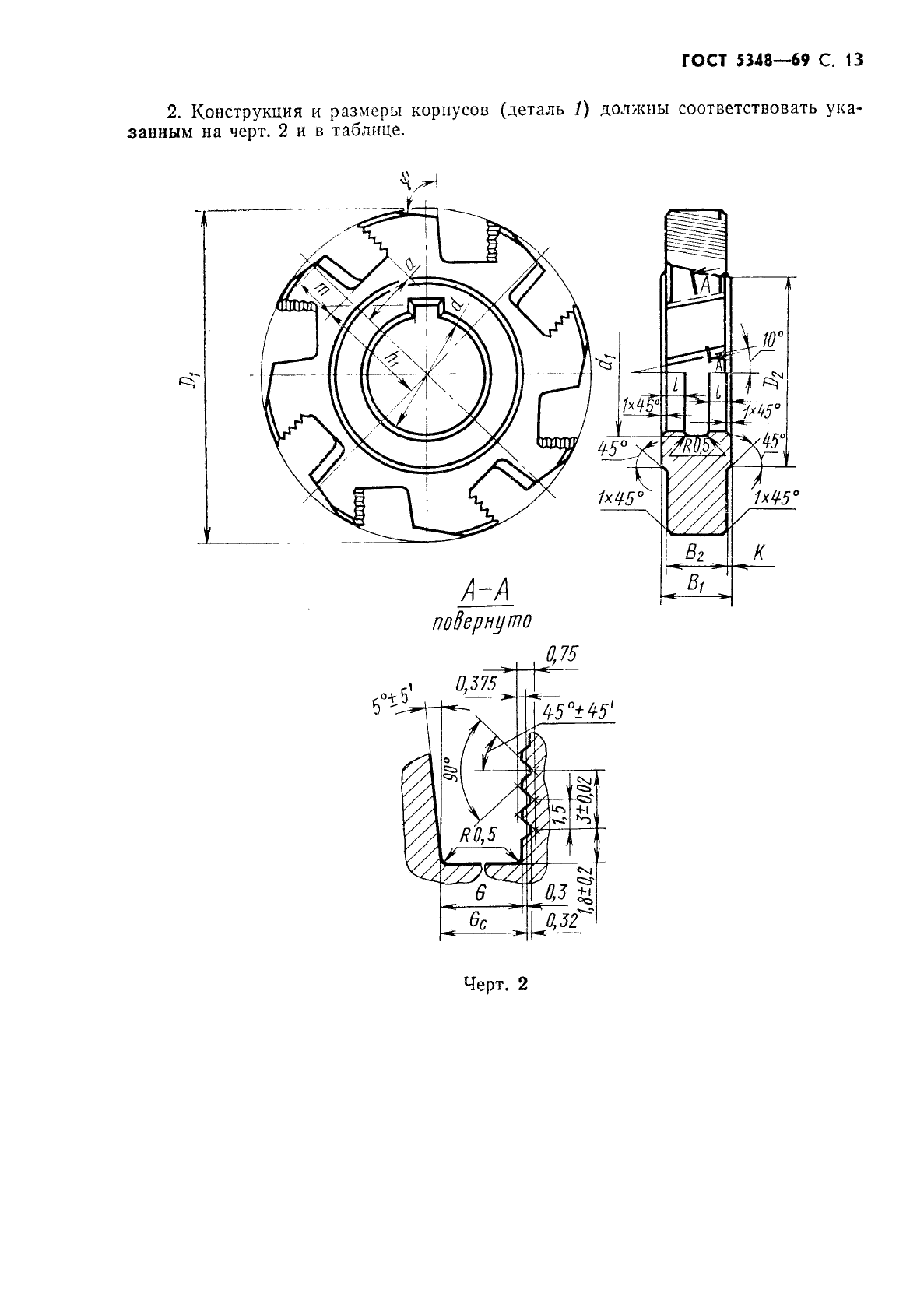
| Название рус.: | Фрезы дисковые трехсторонние со вставными ножами, оснащенными твердым сплавом. Конструкция и размеры |
| Название англ.: | Side-and-face milling cutters with inserted carbide blades. Construction and dimensions |
| Дата актуализации текста: | 06.04.2015 |
| Дата актуализации описания: | 01.07.2023 |
| Дата издания: | 01.02.1987 |
| Дата введения: | 01.07.1970 |
| Код ОКП: | 391833 |
| Взамен: | ГОСТ 5348-60;МН 998-60 |
| Содержит требования: | СТ СЭВ 847-78 |
| Нормативные ссылки: | ГОСТ 14700-69; ГОСТ 14701-69 |
| Область применения: | Настоящий стандарт распространяется на фрезы дисковые трехсторонние со вставными ножами, оснащенными твердым сплавом |
| Список изменений: | №0 от 07.12.1988 (рег. 07.12.1988) «Срок действия продлен» №1 от 01.01.1981 (рег. 09.12.1980) «Срок действия продлен» |
|
| Расположен в: |
|