| Обозначение: |    ГОСТ 11108-70 | 
| Статус: | действующий | 
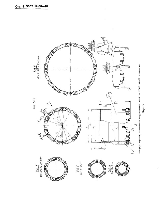
| Название рус.: | Коронки твердосплавные для колонкового бурения пород средней твердости. Технические условия | 
| Название англ.: | Hard-metals bits for core exploratory drilling in medium hard. Specifications | 
| Дата актуализации текста: | 06.04.2015 | 
| Дата актуализации описания: | 01.07.2023 | 
| Дата издания: | 15.07.1970 | 
| Дата введения: | 01.07.1971 | 
| Код ОКП: | 393152 | 
| Взамен: |  ГОСТ 11108-64 | 
| Нормативные ссылки: |  ГОСТ 6238-77; ГОСТ 880-75; ГОСТ 1050-74; ГОСТ 3882-74; ГОСТ 4960-75; ГОСТ 19537-74; ГОСТ 9.014-78; ГОСТ 15623-70; ГОСТ 15841-77 | 
| Область применения: | Настоящий стандарт распространяется на колонки твердосплавные для колонкового бурения пород средней твердости | 
| Список изменений: | №1 от 01.01.1974 (рег. 30.11.1973) «Срок действия продлен» №2 от 01.01.1981 (рег. 14.04.1980) «Срок действия продлен» №3 от 01.01.1986 (рег. 12.05.1985) «Срок действия продлен» №4 от 01.03.1991 (рег. 27.08.1990) «Срок действия продлен» | 
 | 
| Расположен в: | 
  |