| Обозначение: |  ГОСТ 8762-75 |
| Статус: | действующий |
| Название рус.: | Резьба круглая диаметром 40 мм для противогазов и калибры к ней. Основные размеры |
| Название англ.: | Round threading diameter 40 mm for gas-mask with the gauges main dimensions and the tolerances |
| Дата актуализации текста: | 06.04.2015 |
| Дата актуализации описания: | 01.07.2023 |
| Дата издания: | 01.01.2003 |
| Дата введения: | 01.01.1976 |
| Взамен: | ГОСТ 8762-58 |
| Нормативные ссылки: | ГОСТ 2016-68; ГОСТ 2015-69;РС 1200-67 |
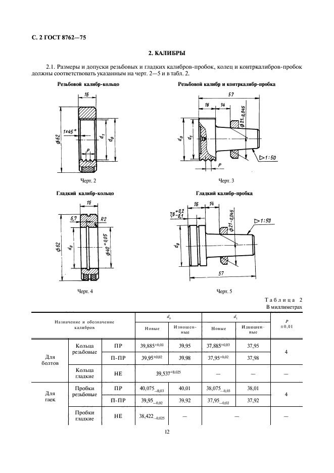
| Область применения: | Настоящий стандарт распространяется на круглую резьбу диаметром 40 мм для деталей противогазов и устанавливает размеры элементов резьбы, а также размеры калибров для проверки резьбы и контркалибров для контроля калибров |
|
| Расположен в: |
|