| Обозначение: |    ГОСТ 10151-75 | 
| Статус: | заменён | 
| Название рус.: | Уборы меховые женские. Общие технические условия | 
| Название англ.: | Fur stoles, capes for ladies. General specifications | 
| Дата актуализации текста: | 06.04.2015 | 
| Дата актуализации описания: | 01.07.2023 | 
| Дата издания: | 01.06.1993 | 
| Дата введения: | 01.07.1976 | 
| Дата окончания срока действия: | 01.01.2016 | 
| Код ОКП: | 894400 | 
| Взамен: |  ГОСТ 10151-62 | 
| Заменяющий: |  ГОСТ 10151-2014 | 
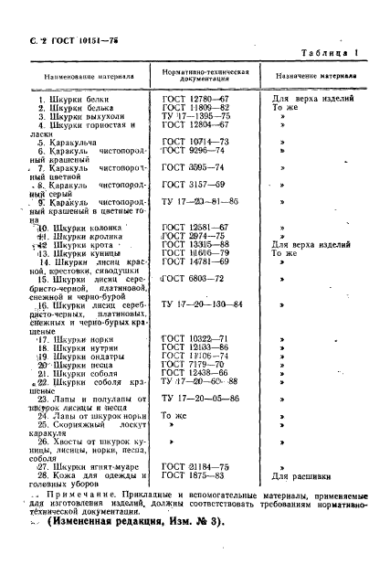
| Область применения: | Настоящий стандарт распространяется на женские меховые уборы: пелерины, полупелерины, палантины, горжеты, шарфы, косынки, муфты, изготовленные из выделанных меховых шкурок и их частей | 
| Список изменений: | №1 от 01.05.1981 (рег. 25.12.1980) «Срок действия продлен» №2 от 01.05.1986 (рег. 13.12.1985) «Поправка» №3 от 01.09.1990 (рег. 01.03.1990) «Срок действия продлен» | 
 | 
| Расположен в: | 
  |