| Обозначение: |  ГОСТ 10506-76 |
| Статус: | действующий |
| Название рус.: | Канаты стальные закрытые подъемные. Сортамент |
| Название англ.: | Hoist closed wire ropes. Assortment |
| Дата актуализации текста: | 06.04.2015 |
| Дата актуализации описания: | 01.07.2023 |
| Дата издания: | 01.10.1986 |
| Дата введения: | 01.01.1978 |
| Код ОКП: | 125100 |
| Взамен: | ГОСТ 10506-63; ГОСТ 10507-63; ГОСТ 10508-63 |
| Нормативные ссылки: | ГОСТ 10505-76 |
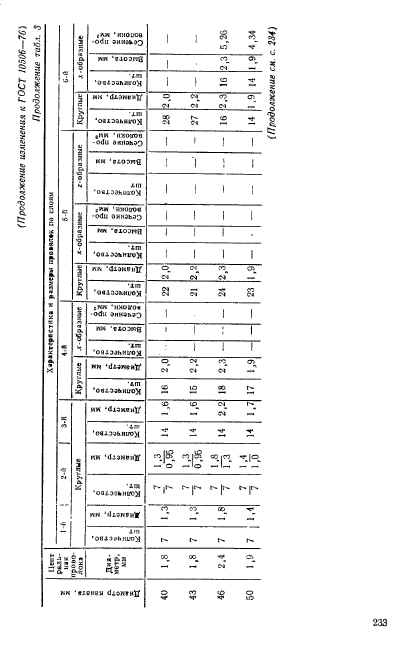
| Область применения: | Настоящий стандарт распространяется на стальные закрытые подъемные спиральные канаты с одним слоем z-образных и одним, двумя или тремя слоями х-образных проволок. Канаты диаметром от 20 до 33 мм изготавливаются с одним слоем х-образных проволок, диаметром от 36 до 46 мм - с двумя слоями х-образных проволок, диаметром 50 мм - с тремя слоями х-образных проволок |
| Список изменений: | №1 от 01.01.1984 (рег. 04.08.1983) «Срок действия продлен» №2 от 01.01.1987 (рег. 11.05.1986) «Срок действия продлен» №3 от 01.07.1991 (рег. 27.12.1990) «Срок действия продлен» |
|
| Расположен в: |
|