| Обозначение: |  ГОСТ 6533-78 |
| Статус: | действующий |
| Название рус.: | Днища эллиптические отбортованные стальные для сосудов, аппаратов и котлов. Основные размеры |
| Название англ.: | Ellipsoidaldished heads flanged made of steel for vess els apparatus and boilers. Basis dimensions |
| Дата актуализации текста: | 06.04.2015 |
| Дата актуализации описания: | 01.01.2021 |
| Дата издания: | 01.03.1985 |
| Дата введения: | 01.01.1970 |
| Код ОКП: | 412140 |
| Взамен: | ГОСТ 6533-68 |
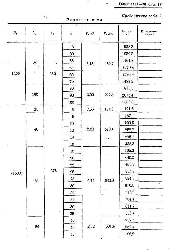
| Область применения: | Настоящий стандарт распространяется на эллиптические отбортованные днища из углеродистых, легированных и двухслойных сталей с толщиной стенки от 4 до 120 мм для сосудов, аппаратов и котлов диаметром от 133 до 4500 мм |
| Список изменений: | №1 от 01.11.1984 (рег. 27.06.1984) «Срок действия продлен» №2 от 01.09.1989 (рег. 27.02.1989) «Поправка» |
|
| Расположен в: |
|