| Обозначение: |  ГОСТ 11700-80 |
| Статус: | действующий |
| Название рус.: | Станции смазочные двухмагистральные. Технические условия |
| Название англ.: | Two-line lubricating stations. Specifications |
| Дата актуализации текста: | 06.04.2015 |
| Дата актуализации описания: | 01.07.2023 |
| Дата издания: | 01.11.1998 |
| Дата введения: | 01.01.1982 |
| Код ОКП: | 415245 |
| Взамен: | ГОСТ 11700-73 |
| Нормативные ссылки: | ГОСТ 9.048-89 ; ГОСТ 12.2.040-79; ГОСТ 12.2.086-83; ГОСТ 27.410-87; ГОСТ 6211-81; ГОСТ 15108-80; ГОСТ 15150-69; ГОСТ 15151-69; ГОСТ 17108-86; ГОСТ 19099-86 ; ГОСТ 21140-88; ГОСТ 22976-78 |
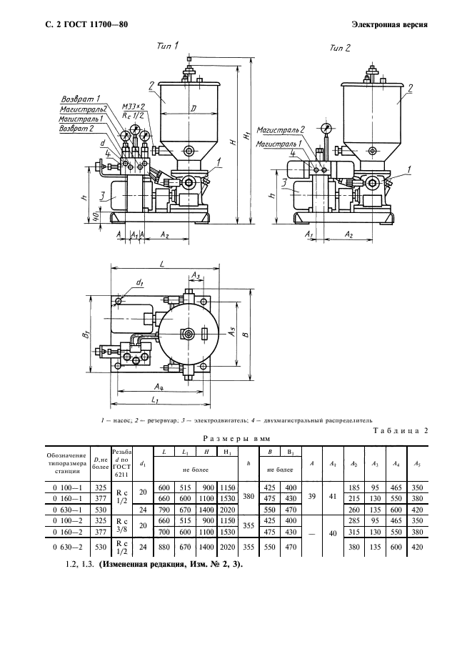
| Область применения: | Настоящий стандарт устанавливает требования к двухмагистральным смазочным станциям с электрическим приводом, предназначенным для поочередного нагнетания пластичных смазочных материалов с числом пенетрации не ниже 260 при температуре 25 град. С и вязкостью при 0 град. С и среднем градиенте скорости деформации 10 с в степени минус 1 не более 2500 П, отфильтрованных от частиц размером более 0,25 мм в магистрали централизованных смазочных систем объемного дозирования с автоматическим контролем подачи при температуре окружающей среды и смазочного материала от 5 до 40 град. С, изготовляемым для нужд народного хозяйства и экспорта |
| Список изменений: | №1 от 01.05.1985 (рег. 16.11.1984) «Срок действия продлен» №2 от 01.06.1987 (рег. 18.12.1986) «Срок действия продлен» №3 от 01.08.1988 (рег. 20.03.1988) «Срок действия продлен» |
|
| Расположен в: |
|