| Обозначение: |  ГОСТ 9562-81 |
| Статус: | действующий |
| Название рус.: | Основные нормы взаимозаменяемости. Резьба трапецеидальная однозаходная. Допуски |
| Название англ.: | Basic norms of interchangeability. Trapezoidal single-start screw thread. Tolerances |
| Дата актуализации текста: | 06.04.2015 |
| Дата актуализации описания: | 01.07.2023 |
| Дата издания: | 01.02.1987 |
| Дата введения: | 01.01.1982 |
| Взамен: | ГОСТ 9562-60 |
| Содержит требования: | СТ СЭВ 836-78 |
| Нормативные ссылки: | ГОСТ 9484-81; ГОСТ 24738-81 |
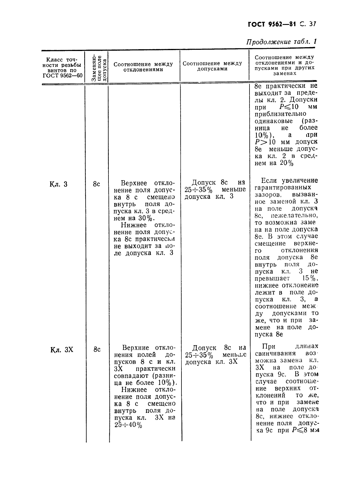
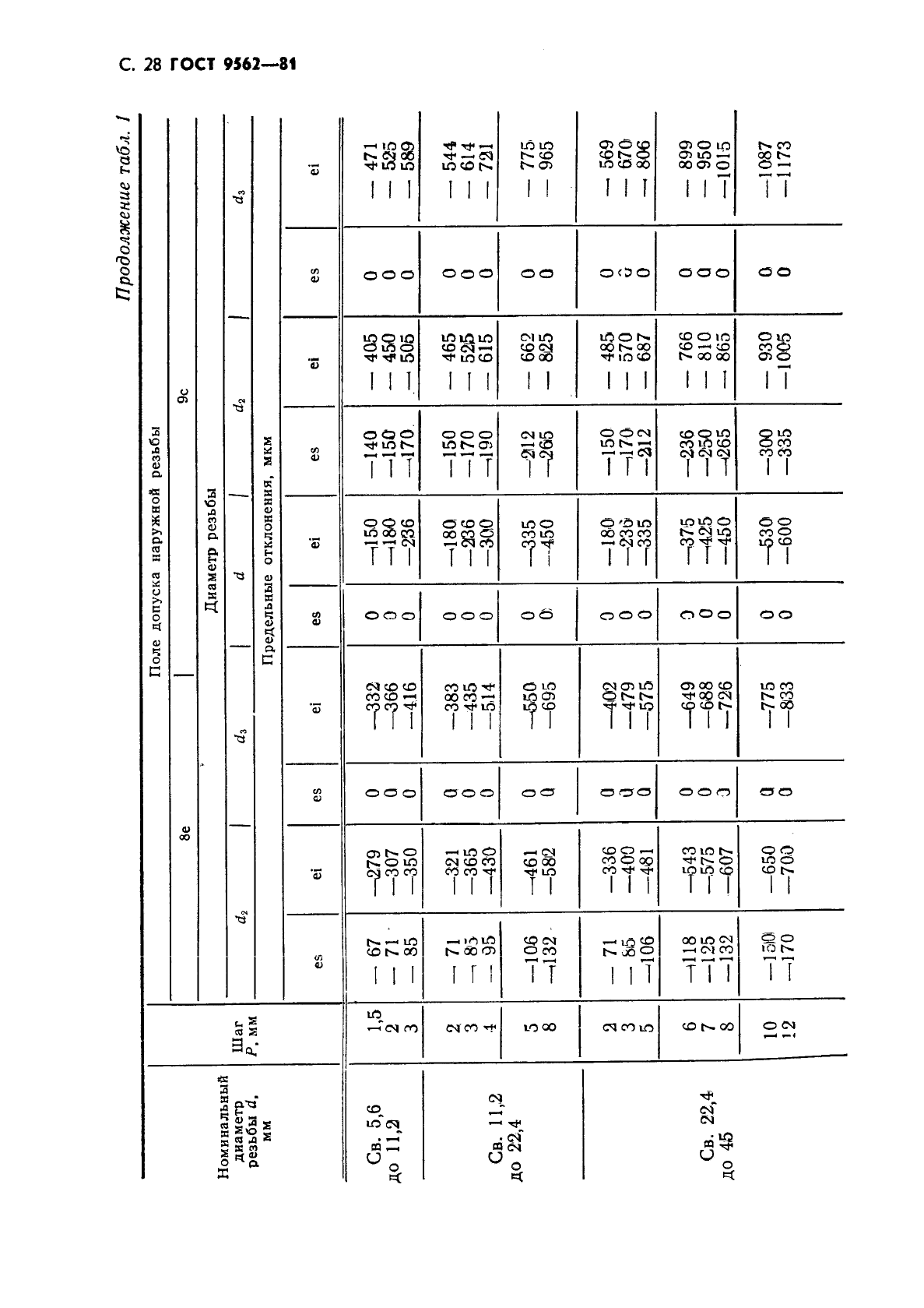
| Область применения: | Настоящий стандарт распространяется на трапецеидальную однозаходную резьбу с профилем по ГОСТ 9484-81, диаметрами и шагами по ГОСТ 24738-81и устанавливает систему допусков трапецеидальной резьбы. Стандарт не распространяется на трапецеидальные резьбы, предназначенные для осуществления точных перемещений |
|
| Расположен в: |
|