| Обозначение: |  ГОСТ 6870-81 |
| Статус: | действующий |
| Название рус.: | Подшипники качения. Ролики игольчатые. Технические условия |
| Название англ.: | Rolling bearings. Needle rollers. Specifications |
| Дата актуализации текста: | 06.04.2015 |
| Дата актуализации описания: | 01.07.2023 |
| Дата издания: | 01.09.1998 |
| Дата введения: | 01.01.1982 |
| Код ОКП: | 469400 |
| Взамен: | ГОСТ 6870-72 |
| Содержит требования: | СТ СЭВ 1991-79 |
| Нормативные ссылки: | ISO 3096:1974; ГОСТ 801-78; ГОСТ 4727-83; ГОСТ 9013-59; ГОСТ 9.014-78; ГОСТ 16148-79; ГОСТ 515-77; ГОСТ 16272-79; ГОСТ 10354-82; ГОСТ 14192-96; ГОСТ 24955-81; ГОСТ 25256-82; ГОСТ 25346-89; ГОСТ 24642-81 |
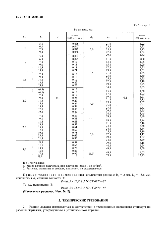
| Область применения: | Настоящий стандарт распространяется на игольчатые ролики, применяемые в подшипниках качения и в виде отдельных деталей, и устанавливает их размеры и технические требования |
| Список изменений: | №1 от 01.01.1984 (рег. 29.06.1983) «Срок действия продлен» №2 от 01.01.1989 (рег. 16.06.1988) «Срок действия продлен» |
|
| Расположен в: |
|