| Обозначение: |  ГОСТ 7387-82 |
| Статус: | действующий |
| Название рус.: | Наконечники кабельные из алюминиевого сплава для оконцевания алюминиевых жил проводов и кабелей сваркой. Конструкция и размеры |
| Название англ.: | Aluminium alloy cable shoes for tipping of aluminium wire conductors and cables by welding. Construction and sizes |
| Дата актуализации текста: | 06.04.2015 |
| Дата актуализации описания: | 01.07.2023 |
| Дата издания: | 01.11.1997 |
| Дата введения: | 01.01.1984 |
| Код ОКП: | 344984 |
| Взамен: | ГОСТ 7387-77 |
| Нормативные ссылки: | ГОСТ 1583-93; ГОСТ 4784-74; ГОСТ 15150-69; ГОСТ 23981-80 |
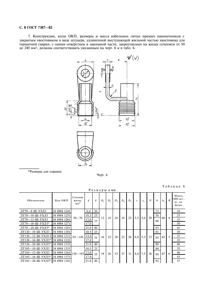
| Область применения: | Настоящий стандарт устанавливает конструкцию и размеры глухих кабельных наконечников из алюминиевого сплава, закрепляемых на жилах сваркой и предназначенных для оконцевания кабелей и изолировнных проводов с алюминиевыми жилами сечением от 16 до 1500 мм кв на напряжение до 10 кВ, климатического исполнения УХЛ3 |
| Список изменений: | №0 от 27.06.1988 (рег. 26.06.1988) «Срок действия продлен» №1 от 01.07.1995 (рег. 09.11.1994) «Срок действия продлен» |
|
| Расположен в: |
|