| Обозначение: |  ГОСТ 11609-82 |
| Статус: | действующий |
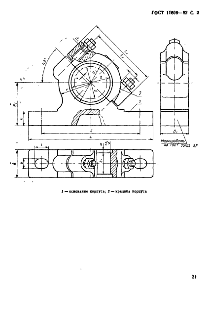
| Название рус.: | Корпуса подшипников скольжения разъемные наклонные с двумя крепежными отверстиями. Конструкция и размеры |
| Название англ.: | Plain bearings split angle bearing blocks with twо bolt holes. Design and dimensions |
| Дата актуализации текста: | 06.04.2015 |
| Дата актуализации описания: | 01.07.2023 |
| Дата издания: | 01.04.1994 |
| Дата введения: | 01.07.1983 |
| Код ОКП: | 418000 |
| Взамен: | ГОСТ 11609-65 |
| Нормативные ссылки: | ГОСТ 11611-81 |
| Область применения: | Настоящий стандарт распространяется на наклонные разъемные корпуса подшипников скольжения с двумя крепежными отверстиями, применяемые с вкладышами |
|
| Расположен в: |
|