| Обозначение: |  ГОСТ 4860.1-83 |
| Статус: | действующий |
| Название рус.: | Сальники для электрических кабелей и проводов. Технические условия |
| Название англ.: | Glands for electric cables and wires. Specifications |
| Дата актуализации текста: | 06.04.2015 |
| Дата актуализации описания: | 01.01.2021 |
| Дата издания: | 01.10.1989 |
| Дата введения: | 01.01.1985 |
| Код ОКП: | 344900 |
| Взамен: | ГОСТ 4860.1-76 |
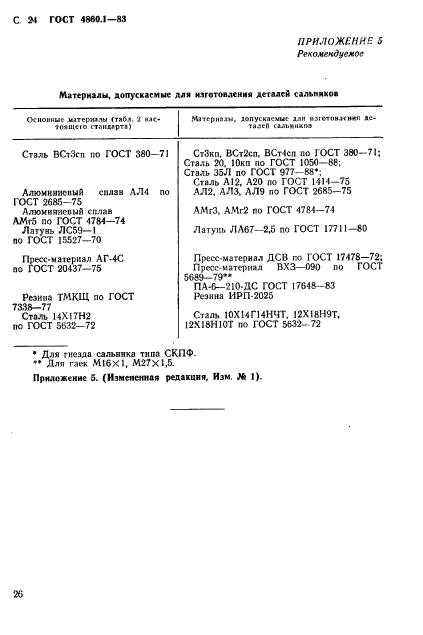
| Область применения: | Настоящий стандарт распространяется на сальники, устанавливаемые на корпусные конструкции, расчитанные на перепад давления 0,2 МПа (2,0 кгс/см кв.) и предназначенные для уплотнения прохода одиночных электрических кабелей и проводов. Сальники выпускают в климатическом исполнении ОМ категорий 1 и 5 по ГОСТ 15150-69. Стандарт не распространяется на уплотненные сальники, предназначенные для постоянной работы в воде |
| Список изменений: | №1 от 01.03.1988 (рег. 15.10.1987) «Срок действия продлен» |
|
| Расположен в: |
|