| ||||||||||||||||||||||||||||||||||||
Скачать ГОСТ 12126-86 Машины электрические малой мощности. Установочные и присоединительные размерыДата актуализации: 01.06.2025
| ||||||||||||||||||||||||||||||||||||
| Обозначение: | ![]() ГОСТ 12126-86 |
| Статус: | действующий |
| Название рус.: | Машины электрические малой мощности. Установочные и присоединительные размеры |
| Название англ.: | Small power electric machines. Mounting dimensions |
| Дата актуализации текста: | 06.04.2015 |
| Дата актуализации описания: | 01.07.2023 |
| Дата издания: | 20.06.1990 |
| Дата введения: | 01.01.1988 |
| Код ОКП: | 330000 |
| Взамен: | ГОСТ 12126-71 |
| Содержит требования: | СТ СЭВ 6467-88 |
| Нормативные ссылки: | ГОСТ 3940-84; ГОСТ 4541-70; ГОСТ 6636-69; ГОСТ 8592-79; ГОСТ 9443-79; ГОСТ 9944-77; ГОСТ 10616-73; ГОСТ 11284-75; ГОСТ 12080-66; ГОСТ 12081-72; ГОСТ 13267-73; ГОСТ 16030-70; ГОСТ 16093-81; ГОСТ 18709-73; ГОСТ 23375-78; ГОСТ 25347-82 |
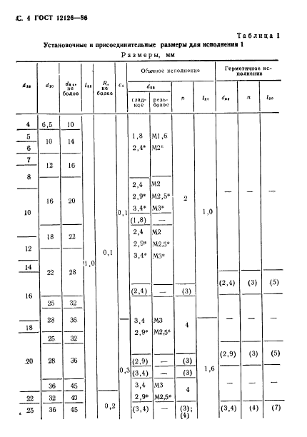
| Область применения: | Настоящий стандарт распространяется на вновь проектируемые и модернизируемые ( в части установочных и присоединительных размеров) электрические машины малой мощности с высотой оси вращения h или условной высотой оси вращения h' до 71 мм , в том числе на электровентиляторы осевые единого и встроенного исполнений и радиальные (центробежные) встроенного исполнения с номером вентилятора до 4 и устанавливает их установочные и присоединительные размеры. Стандарт не распространяется на электрические машины: изготовляемые по ГОСТ 3940, ГОСТ 9443, ГОСТ 9944; встраиваемые в виде отдельных сборочных единиц; осевые и радиальные вентиляторы без наружных корпусов, переносные, индивидуального охлаждения, с пылеотделительными устройствами, радиальные прямоточные вентиляторы, а также поставляемые отдельными сборочными единицами |
| Список изменений: | №1 от 01.07.1990 (рег. 20.10.1989) «Поправка» |
| Расположен в: | |
















































