| Обозначение: |  ГОСТ Р 50268-92 |
| Статус: | действующий |
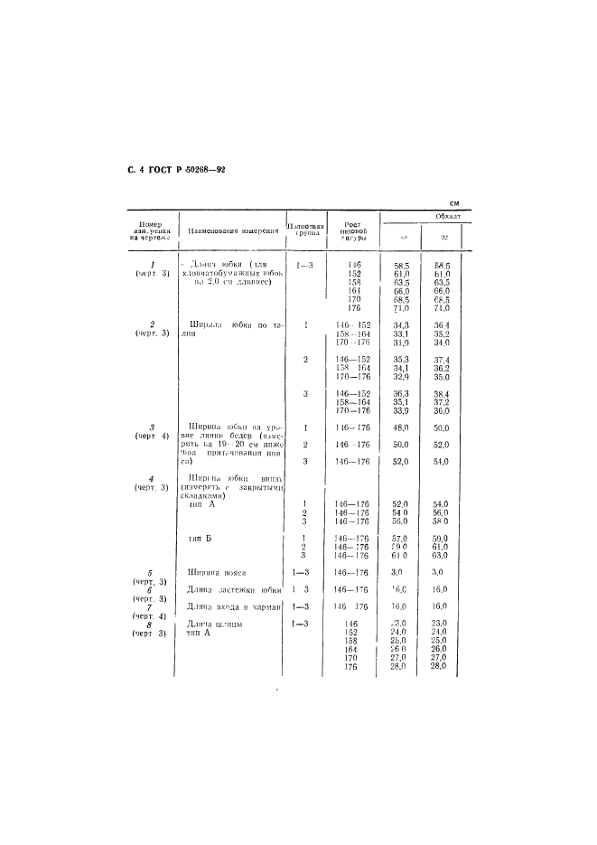
| Название рус.: | Юбки форменные женские. Технические условия |
| Название англ.: | Uniform women's skirts. Specifications |
| Дата актуализации текста: | 06.04.2015 |
| Дата актуализации описания: | 01.07.2023 |
| Дата издания: | 10.12.1992 |
| Дата введения: | 01.01.1994 |
| Код ОКП: | 858286 |
| Взамен: | ОСТ 17-936-83 |
| Нормативные ссылки: | ГОСТ 4103-82; ГОСТ 6309-87; ГОСТ 11259-79; ГОСТ 12239-76; ГОСТ 17522-72; ГОСТ 19159-85; ГОСТ 19902-89; ГОСТ 20272-83; ГОСТ 21790-76; ГОСТ 22665-83; ГОСТ 24782-90; ГОСТ 27541-87; ГОСТ 28000-88;ОСТ 17-165-79;ОСТ 17-257-84;ОСТ 17-805-85;ОСТ 17-891-86;ОСТ 17-921-88;ТУ 6- 19-137-89;ТУ 17-09-320-90;ТУ 17-21-237-80;ТУ 17-21-335-80;ТУ РСФСР 21.2-234-4-90;ТУ 17 РСФСР 44-3808-80;ТУ 17 РСФСР 45-9369-88;ТУ 17 РСФСР 60-10724-87;ТУ 17 РСФСР 62-4463-76;ТУ 17 РСФСР 63-4-83-89;ТУ 17 РСФСР 66-11429-87;ТУ 17 РСФСР 66-6073-85;ТУ 17 РСФСР 67-11035-85;ТУ 17 РСФСР 02-01-28-90;СТП 10-56-90 |
| Область применения: | Настоящий стандарт распространяется на юбки форменные женские, поставляемые по специальным заказам |
|
| Расположен в: |
|