| ||||||||||||||||||||||||||||||||||
Скачать ГОСТ Р 51045-97 Рельсы железнодорожные типов РП50, РП65 и РП75 для путей промышленного железнодорожного транспорта. Общие технические условияДата актуализации: 01.06.2025
| ||||||||||||||||||||||||||||||||||
| Обозначение: | ![]() ГОСТ Р 51045-97 |
| Статус: | заменён |
| Название рус.: | Рельсы железнодорожные типов РП50, РП65 и РП75 для путей промышленного железнодорожного транспорта. Общие технические условия |
| Название англ.: | Steel rails of PП50, PП65 and PП75 types for industrial tracks. General specifications |
| Дата актуализации текста: | 06.04.2015 |
| Дата актуализации описания: | 01.07.2023 |
| Дата издания: | 16.05.1997 |
| Дата введения: | 01.01.1998 |
| Дата окончания срока действия: | 01.07.2015 |
| Код ОКП: | 092100 |
| Заменяющий: | ГОСТ Р 51045-2014 |
| Нормативные ссылки: | ГОСТ 1497-84; ГОСТ 7502-89; ГОСТ 7565-81; ГОСТ 7566-81; ГОСТ 9012-59; ГОСТ 9454-78; ГОСТ 12365-84; ГОСТ 18895-81; ГОСТ 22536.0-87; ГОСТ 22536.1-88; ГОСТ 22536.2-87; ГОСТ 22536.3-88; ГОСТ 22536.4-88; ГОСТ 22536.5-87; ГОСТ 22536.11-87; ГОСТ 22536.12-88 |
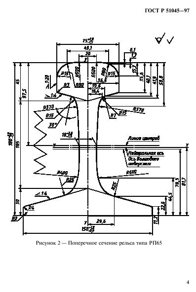
| Область применения: | Настоящий стандарт распространяется на рельсы широкой колеи, предназначенные для железнодорожных путей и стрелочных переводов промышленных предприятий |
| Расположен в: | |



















