| Обозначение: |  ГОСТ 12459-67 |
| Статус: | действующий |
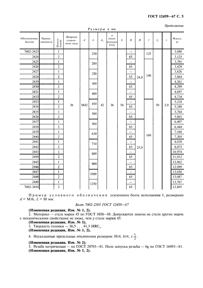
| Название рус.: | Болты усиленные к пазам станочным обработанным. Конструкция |
| Название англ.: | Strenghthening bolts for machined slots. Design |
| Дата актуализации текста: | 06.04.2015 |
| Дата актуализации описания: | 01.07.2023 |
| Дата издания: | 01.10.1999 |
| Дата введения: | 01.07.1967 |
| Код ОКП: | 396000 |
| Взамен: | МН 5412-64 |
| Нормативные ссылки: | ГОСТ 1050-88; ГОСТ 24705-81; ГОСТ 10549-80; ГОСТ 16093-81; ГОСТ 9.306-85; ГОСТ 1759.0-87; ГОСТ 1759.1-82; ГОСТ 1759.2-82; ГОСТ 1759.4-87; ГОСТ 18160-72 |
| Область применения: | Настоящий стандарт распространяется на конструкцию и размеры усиленных болтов к станочным обработанным пазам |
| Список изменений: | №1 от 01.12.1980 (рег. 29.06.1980) «Срок действия продлен» №2 от 01.01.1989 (рег. 17.03.1988) «Поправка» |
|
| Расположен в: |
|