| Обозначение: |    ГОСТ 9064-75 | 
| Статус: | действующий | 
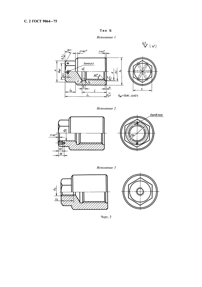
| Название рус.: | Гайки для фланцевых соединений с температурой среды от 0 до 650 град. С. Типы и основные размеры | 
| Название англ.: | Nuts for flanged connections with medium temperature 0 to 650 deg. C. Types and main dimensions | 
| Дата актуализации текста: | 06.04.2015 | 
| Дата актуализации описания: | 01.07.2023 | 
| Дата издания: | 01.03.2004 | 
| Дата введения: | 01.01.1976 | 
| Код ОКП: | 168000;370000 | 
| Взамен: |  ГОСТ 9064-69 | 
| Нормативные ссылки: |  ГОСТ 10549-80; ГОСТ 20700-75; ГОСТ 24705-81 | 
| Область применения: | Настоящий стандарт распространяется на гайки шестигранные и колпачковые для фланцевых соединений паровых и газовых турбин, паровых котлов, трубопроводов и соединительных частей, арматуры, приборов, аппаратов и резервуаров с температурой среды от 0 до 650 град. С. Стандарт не распространяется на фланцевые соединения объектов, подведомственных Госгортехнадзору СССР, с условным давлением Ру менее 4 МПа | 
| Список изменений: | №1 от 01.01.1981 (рег. 27.06.1980) «Срок действия продлен» №2 от 01.07.1986 (рег. 27.12.1985) «Срок действия продлен» | 
 | 
| Расположен в: | 
  |