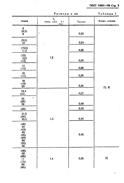
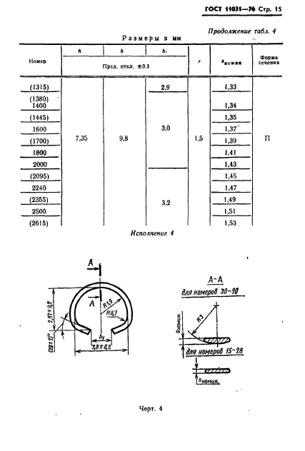
| ||||||||||||||||||||||||||||||||||
 Скачать ГОСТ 11031-76 Бегунки металлические для колец прядильных и крутильных машин. Технические условияДата актуализации: 01.06.2025
 | ||||||||||||||||||||||||||||||||||
| Обозначение: | ![]()   ГОСТ 11031-76 | 
| Статус: | действующий | 
| Название рус.: | Бегунки металлические для колец прядильных и крутильных машин. Технические условия | 
| Название англ.: | Metal travellers for rings of spinning and ring-doubling frams. Specifications | 
| Дата актуализации текста: | 06.04.2015 | 
| Дата актуализации описания: | 01.07.2023 | 
| Дата издания: | 01.04.1982 | 
| Дата введения: | 01.07.1978 | 
| Код ОКП: | 511293 | 
| Взамен: |  ГОСТ 11031-68 | 
| Нормативные ссылки: | ISO 2266:1974; ГОСТ 15151-69; ГОСТ 1066-80; ГОСТ 2289-79; ГОСТ 8233-56; ГОСТ 2789-73; ГОСТ 19491-74; ГОСТ 22536.1-77; ГОСТ 9013-59; ГОСТ 9378-75; ГОСТ 9569-79; ГОСТ 7933-75; ГОСТ 24634-81; ГОСТ 2991-76; ГОСТ 2697-75; ГОСТ 10923-76; ГОСТ 14192-77; ГОСТ 15150-69 | 
| Область применения: | Настоящий стандарт распространяется на металлические бегунки для колец прядильных и крутильных машин, а также на металлические бегунки, предназначенные для экспорта | 
| Список изменений: | №1 от 01.01.1980 (рег. 20.04.1979) «Срок действия продлен» №2 от 01.01.1983 (рег. 24.08.1982) «Срок действия продлен» №3 от 01.06.1985 (рег. 13.12.1984) «Срок действия продлен» №4 от 01.01.1986 (рег. 21.08.1985) «Срок действия продлен» №5 от 01.01.1990 (рег. 31.05.1989) «Срок действия продлен»  | 
| Расположен в: | |























































