| Обозначение: |  ГОСТ 11721-78 |
| Статус: | действующий |
| Название рус.: | Резина пористая. Метод определения упругопрочностных свойств при растяжении |
| Название англ.: | Cellular rubber. Method for determination of elastic and tensile stress-strain properties |
| Дата актуализации текста: | 06.04.2015 |
| Дата актуализации описания: | 01.07.2023 |
| Дата издания: | 01.12.1998 |
| Дата введения: | 01.01.1980 |
| Код ОКП: | 251200 |
| Взамен: | ГОСТ 11721-66 |
| Нормативные ссылки: | ГОСТ 270-75; ГОСТ 25015-81 |
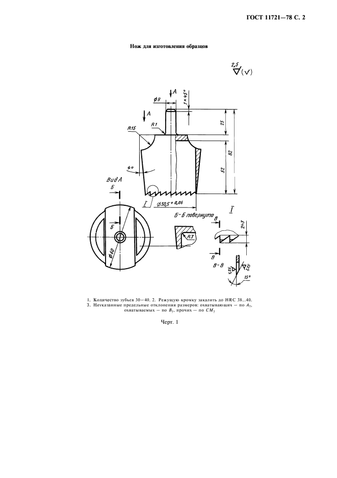
| Область применения: | Настоящий стандарт распространяется на губчатые материалы и изделия на основе твердого каучука, каучукоподобных материалов, латекса и латекса, сдублированного с тканью, и устанавливает методы (А и Б) определения упругопрочностных свойств при растяжении |
| Список изменений: | №1 от 01.12.1988 (рег. 27.06.1988) «Срок действия продлен» №2 от 01.01.1992 (рег. 26.06.1991) «Поправка» |
|
| Расположен в: |
|