| ||||||||||||||||||||||||||||||||||
Скачать ГОСТ 5151-79 Барабаны деревянные для электрических кабелей и проводов. Технические условияДата актуализации: 01.06.2025
| ||||||||||||||||||||||||||||||||||
| Обозначение: | ![]() ГОСТ 5151-79 |
| Статус: | действующий |
| Название рус.: | Барабаны деревянные для электрических кабелей и проводов. Технические условия |
| Название англ.: | Wooden drums for electrical cables and wires. Specifications |
| Дата актуализации текста: | 06.04.2015 |
| Дата актуализации описания: | 01.07.2023 |
| Дата издания: | 01.05.2008 |
| Дата введения: | 01.01.1980 |
| Код ОКП: | 537332 |
| Взамен: | ГОСТ 5151-71 |
| Нормативные ссылки: | ГОСТ 380-2005; ГОСТ 1412-85; ГОСТ 2695-83; ГОСТ 3282-74; ГОСТ 3559-75; ГОСТ 3560-73; ГОСТ 3749-77; ГОСТ 4028-63; ГОСТ 4034-63; ГОСТ 5780-77; ГОСТ 5915-70; ГОСТ 6449.1-82; ГОСТ 6958-78; ГОСТ 7016-82; ГОСТ 7307-75; ГОСТ 7798-70; ГОСТ 8486-86; ГОСТ 9850-72; ГОСТ 14192-96; ГОСТ 15150-69 ; ГОСТ 15612-85; ГОСТ 17308-88; ГОСТ 24454-80; ГОСТ 25347-82 |
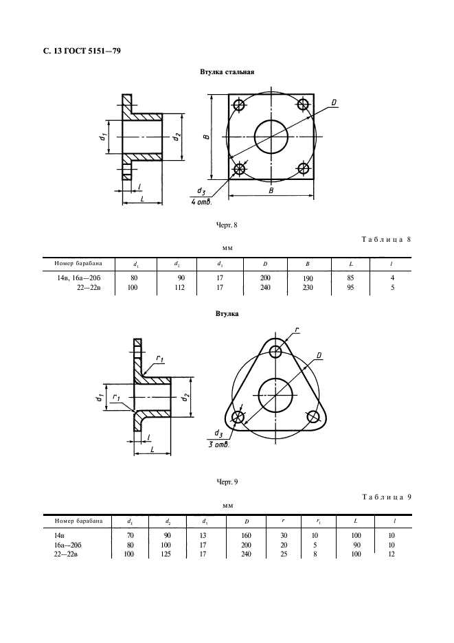
| Область применения: | Настоящий стандарт распространяется на деревянные барабаны, предназначенные для электрических кабелей и проводов, изготовляемых для нужд народного хозяйства и экспорта. Стандарт не распространяется на барабаны для кабелей специального назначения |
| Список изменений: | №1 от 01.01.1987 (рег. 29.06.1986) «Срок действия продлен» №2 от 01.03.1991 (рег. 23.08.1990) «Срок действия продлен» №3 от 01.03.1999 (рег. 20.10.1998) «Срок действия продлен» |
| Расположен в: | |

















