| Обозначение: |  ГОСТ 13118-83 |
| Статус: | действующий |
| Название рус.: | Штампы для листовой штамповки. Колонки направляющие гладкие. Конструкция и размеры |
| Название англ.: | Guide posts smooth for cold plastic working dies. Construction and dimensions |
| Дата актуализации текста: | 06.04.2015 |
| Дата актуализации описания: | 01.07.2023 |
| Дата издания: | 01.03.1986 |
| Дата введения: | 01.07.1984 |
| Код ОКП: | 396330 |
| Взамен: | ГОСТ 13118-75 |
| Содержит требования: | СТ СЭВ 3329-81 |
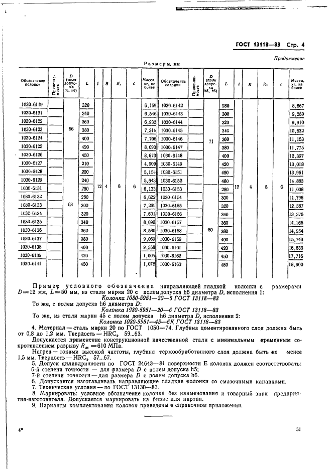
| Область применения: | Настоящий стандарт распространяется на направляющие гладкие колонки, применяемые в направляющих узлах штампов и устанавливаемые по системе вала |
|
| Расположен в: |
|