| Обозначение: |    ГОСТ 12996-90 | 
| Статус: | действующий | 
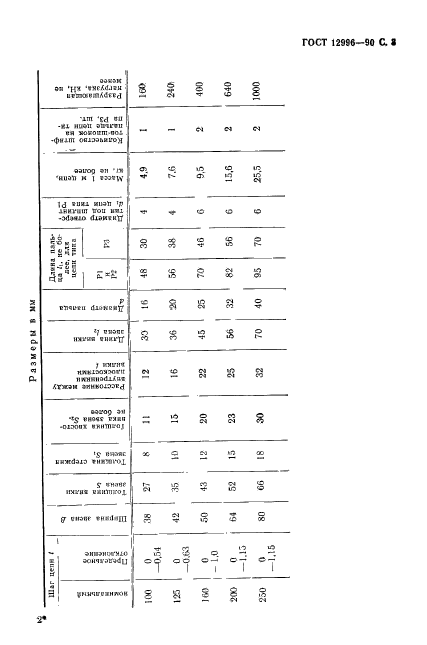
| Название рус.: | Цепи тяговые вильчатые. Технические условия | 
| Название англ.: | Pulling fork chains. Specifications | 
| Дата актуализации текста: | 06.04.2015 | 
| Дата актуализации описания: | 01.07.2023 | 
| Дата издания: | 22.06.1990 | 
| Дата введения: | 01.07.1991 | 
| Код ОКП: | 417320 | 
| Взамен: |  ГОСТ 12996-79 | 
| Нормативные ссылки: |  ГОСТ 9.014-78; ГОСТ 515-77; ГОСТ 9078-84; ГОСТ 10198-78; ГОСТ 15150-69; ГОСТ 23677-79 | 
| Область применения: | Настоящий стандарт распространяется на тяговые вильчатые цепи, предназначенные для работы в качестве тяговых органов скребковых конвейеров с погруженными скребками, питателей и других подъемно-транспортных машин и механизмов, в том числе и допускающих работу в режиме реверсирования | 
 | 
| Расположен в: | 
  |